EasyManua.ls Logo

ABB EAN823 - Page 24

ABB EAN823
46 pages
Print Icon
To Next Page IconTo Next Page
To Next Page IconTo Next Page
To Previous Page IconTo Previous Page
To Previous Page IconTo Previous Page
Loading...
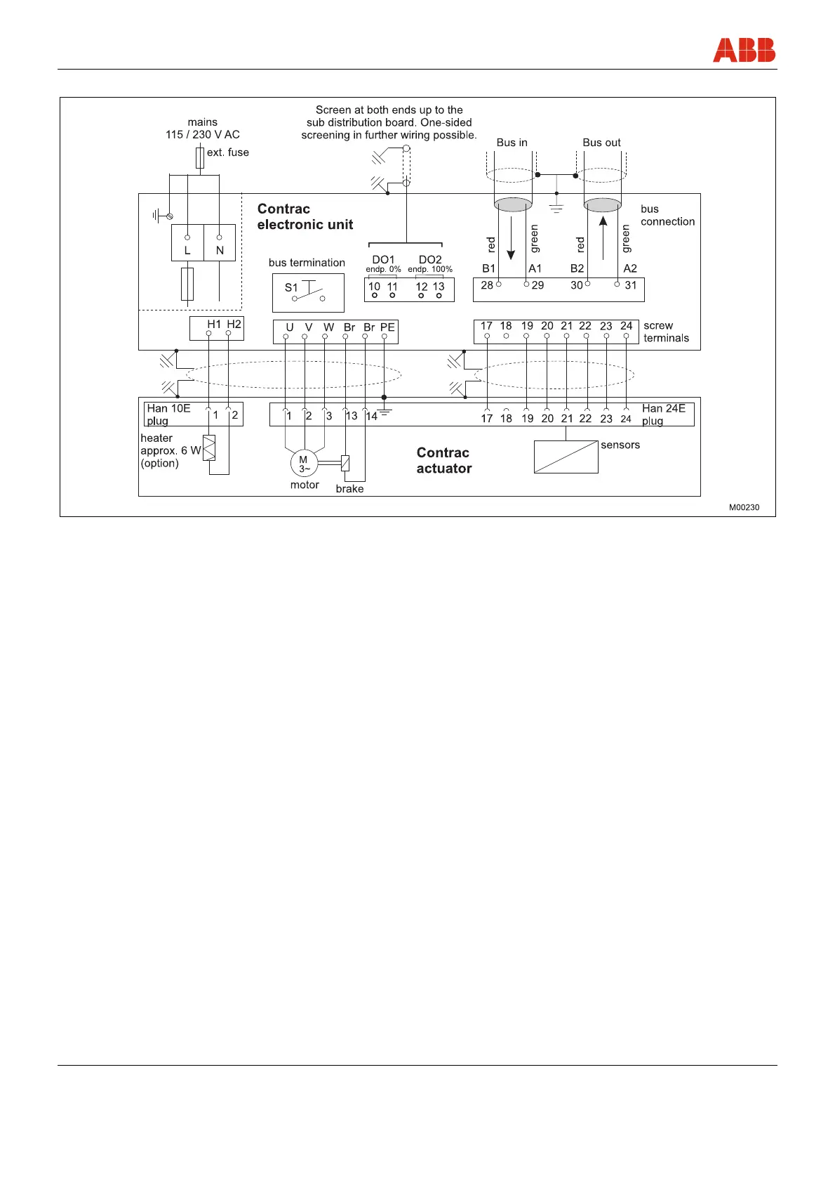
Electrical connections
24 OI/PME/LME/EAN823/EBN853/EBN861-EN
4.4.2.2 PROFIBUS DP
Fig. 15

Table of Contents

Other manuals for ABB EAN823

Related product manuals