EasyManua.ls Logo

ABB HT564300 - Page 102

ABB HT564300
130 pages
Print Icon
To Next Page IconTo Next Page
To Next Page IconTo Next Page
To Previous Page IconTo Previous Page
To Previous Page IconTo Previous Page
Loading...
Operation Manual / TPS48-D/E.. - TPS61-D/E..
Disassembly and assembly
8
Disassembling and assembling
turbocharger
8.3
Page 100
April 2015 HZTL2410_EN Revision D
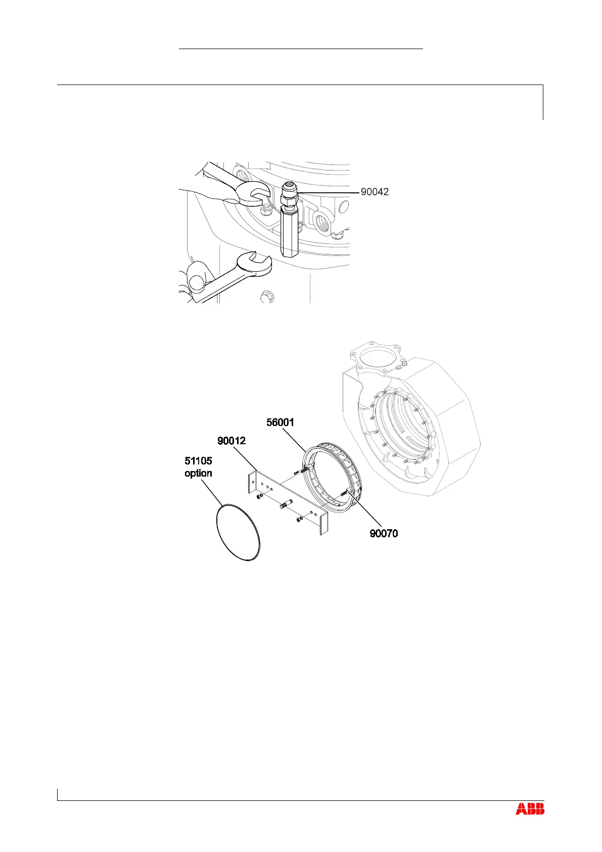
Withdraw nozzle ring (56001) using two extraction devices (90070)
and withdraw bottom part of service support (90012).
Remove C-ring (51105).
If provided
Removing the diffuser
© Copyright 2015 ABB. All rights reserved.

Table of Contents

Related product manuals