EasyManua.ls Logo

ABB STD 500U - Page 134

ABB STD 500U
Print Icon
To Next Page IconTo Next Page
To Next Page IconTo Next Page
To Previous Page IconTo Previous Page
To Previous Page IconTo Previous Page
Loading...
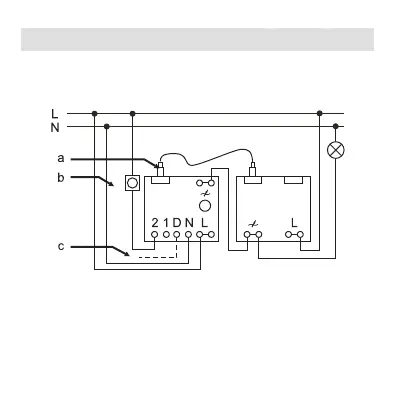
Fig. 2 POL 134
52 Fig. 2
Poszerzenie zakresu mocy uniwersalnych ściemniaczy
centralnych 6583-xxx, STD-500U przy pomocy podzespołu
mocy 6584-xxx, STD-420E eksploatacja jako ściemniacz.
6583-xxx
(STD-500U)
6584-xxx
(STD-420E)
a Przewód transmisji danych RJ12 (25 cm)
b Ściemniacz obrotowy obwód dodatkowy 6592 U-
xxx
c Podzespół układu sterowania 6597-xxx, STD-SBS

Related product manuals