EasyManua.ls Logo

ABB STD 500U - Page 161

ABB STD 500U
Print Icon
To Next Page IconTo Next Page
To Next Page IconTo Next Page
To Previous Page IconTo Previous Page
To Previous Page IconTo Previous Page
Loading...
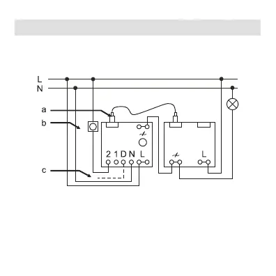
Рис. 2 RUS 161
62 Рис. 2
Расширение мощности универсального центрального
светорегулятора 6583-500 с силовым блоком 6584-500,
режим работы светорегулятора.
6583-xxx
(STD-500U)
6584-xxx
(STD-420E)
a Линия передачи данных RJ12 (25 см)
b поворотный диммер вспомогательное
устройство 6592 U-xxx
c Блок управления 6597-xxx/STD-SBS

Related product manuals