EasyManua.ls Logo

ABB STD 500U - Page 29

ABB STD 500U
186 pages
Go to English
To Next Page IconTo Next Page
To Next Page IconTo Next Page
To Previous Page IconTo Previous Page
To Previous Page IconTo Previous Page
Loading...
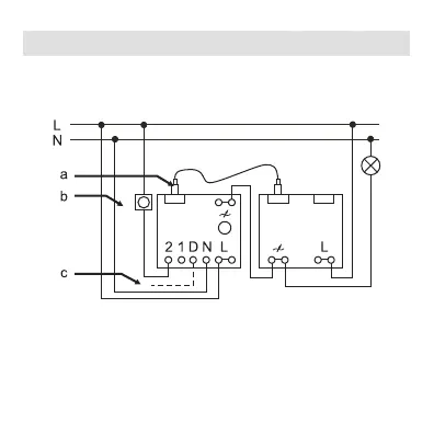
Fig. 2 ENG 29
12 Fig. 2
Capacity extension of the Universal Master Dimmer 6583-
xxx, STD-500U with universal power module 6584-xxx,
STD-420E dimmer mode.
6583-xxx
(STD-500U)
6584-xxx
(STD-420E)
a Data line RJ12 (25 cm)
b Rotary dimmer extension unit 6592 U-xxx
c Control module 6597-xxx, STD-SBS

Related product manuals