EasyManua.ls Logo

ABB STD 500U - Page 80

ABB STD 500U
Print Icon
To Next Page IconTo Next Page
To Next Page IconTo Next Page
To Previous Page IconTo Previous Page
To Previous Page IconTo Previous Page
Loading...
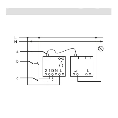
Afb. 1 DUT 80
Pos: 12 /7x7/Inhalt/ 6583 / 6584/6583-500 / 6584-500_dut @ 0\mod_11768951 38252_1.doc @ 10314
31 Afb. 1
Vermogensuitbreiding voor de Universal-centraaldimmers
6583-xxx, STD-500U met Universal-vermogensmodule
6584-xxx, STD-420 toetsenmodus.
DUT
6583
(STD-500U)
6584
(STD-420E)
a Dataleiding RJ12 (25 cm)
b Nevenaansluiting, b.v. 2020 US
c Stuurmodule 6597-xxx

Related product manuals