EasyManua.ls Logo

Abus FUGB50000 - Page 49

Abus FUGB50000
Print Icon
To Next Page IconTo Next Page
To Next Page IconTo Next Page
To Previous Page IconTo Previous Page
To Previous Page IconTo Previous Page
Loading...
49
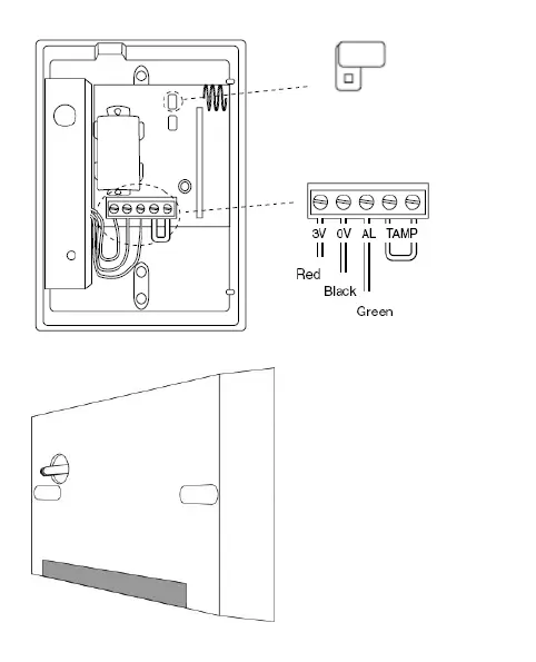
LK1 open

Related product manuals