EasyManua.ls Logo

AccuPower TN2 - Page 20

AccuPower TN2
47 pages
Print Icon
To Next Page IconTo Next Page
To Next Page IconTo Next Page
To Previous Page IconTo Previous Page
To Previous Page IconTo Previous Page
Loading...
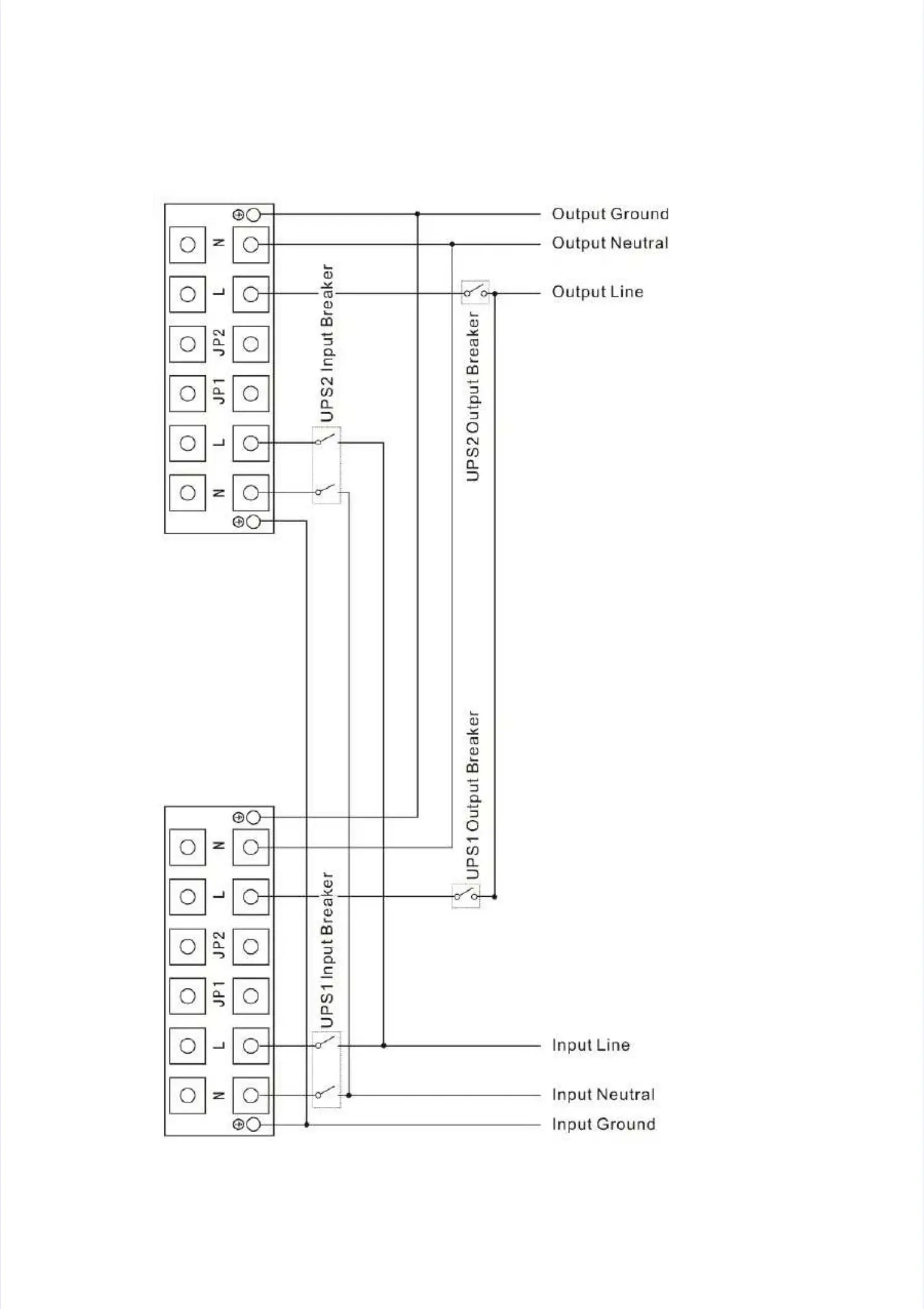
1717
WW
ii
rr
ii
nn
gg
dd
ii
aa
gg
rr
aa
mm
oo
ff
66
00
00
00
((
SS
))
//
11
00
00
00
KK
((
SS
))
pp
aa
rr
aa
ll
ll
ee
ll
ss
yy
ss
tt
ee
mm