EasyManua.ls Logo

Acorto 2000s - Page 195

Acorto 2000s
237 pages
Print Icon
To Next Page IconTo Next Page
To Next Page IconTo Next Page
To Previous Page IconTo Previous Page
To Previous Page IconTo Previous Page
Loading...
_
2030-0194
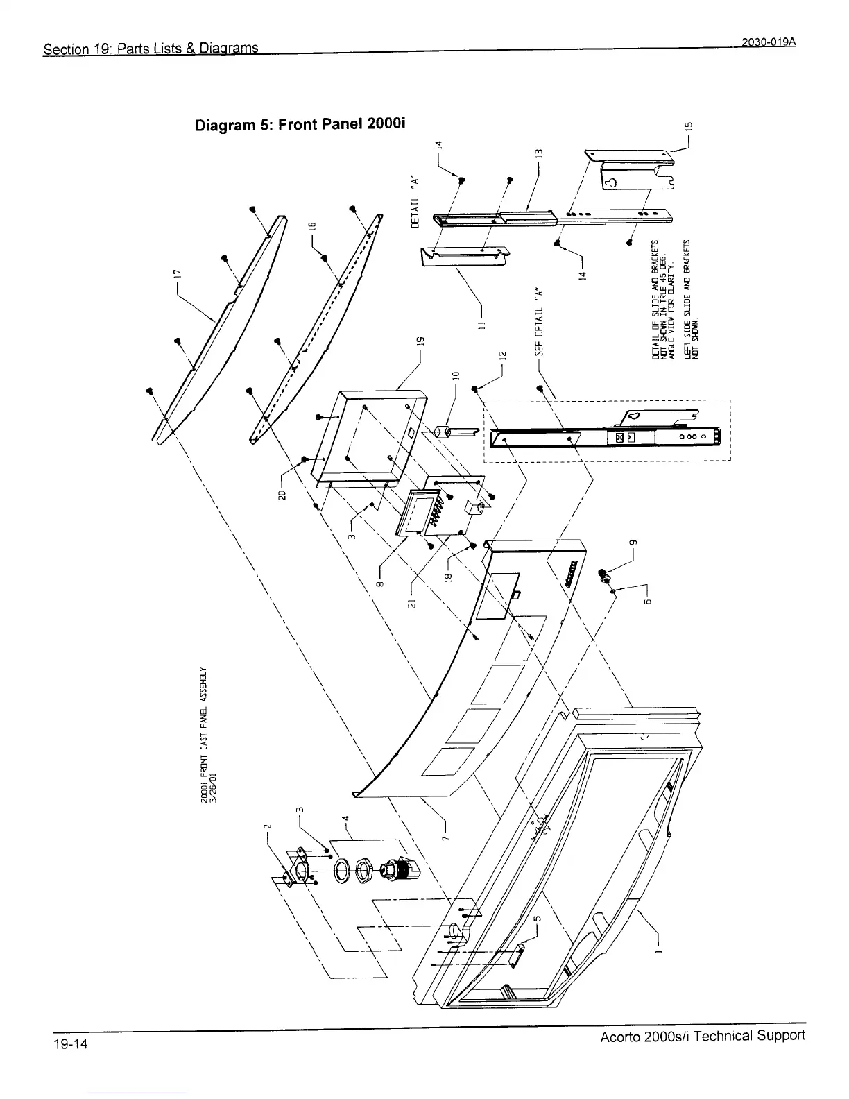
Section
19.
Parts Lists
&
Diaqrams
Diagram
5:
Front
Panel
2000i
FF
UgU
glJt-
=
20* 2
ogd
'
gFX
g
-JzlI
)
:83 F6
H9= EE
fr:
\
)
=
I
I
iF
'\
()(
\-
'\
V
d
6
d
z
L
F
J
z
a
o
Ra!
/D,
/
,'7/
-/
/-/^/
/,
Acorto
2000s/i
Technical
SuPPort
'\
\--i
-,
19-14