EasyManua.ls Logo

Acorto 2000s - Page 197

Acorto 2000s
237 pages
Print Icon
To Next Page IconTo Next Page
To Next Page IconTo Next Page
To Previous Page IconTo Previous Page
To Previous Page IconTo Previous Page
Loading...
2030-0'l9A
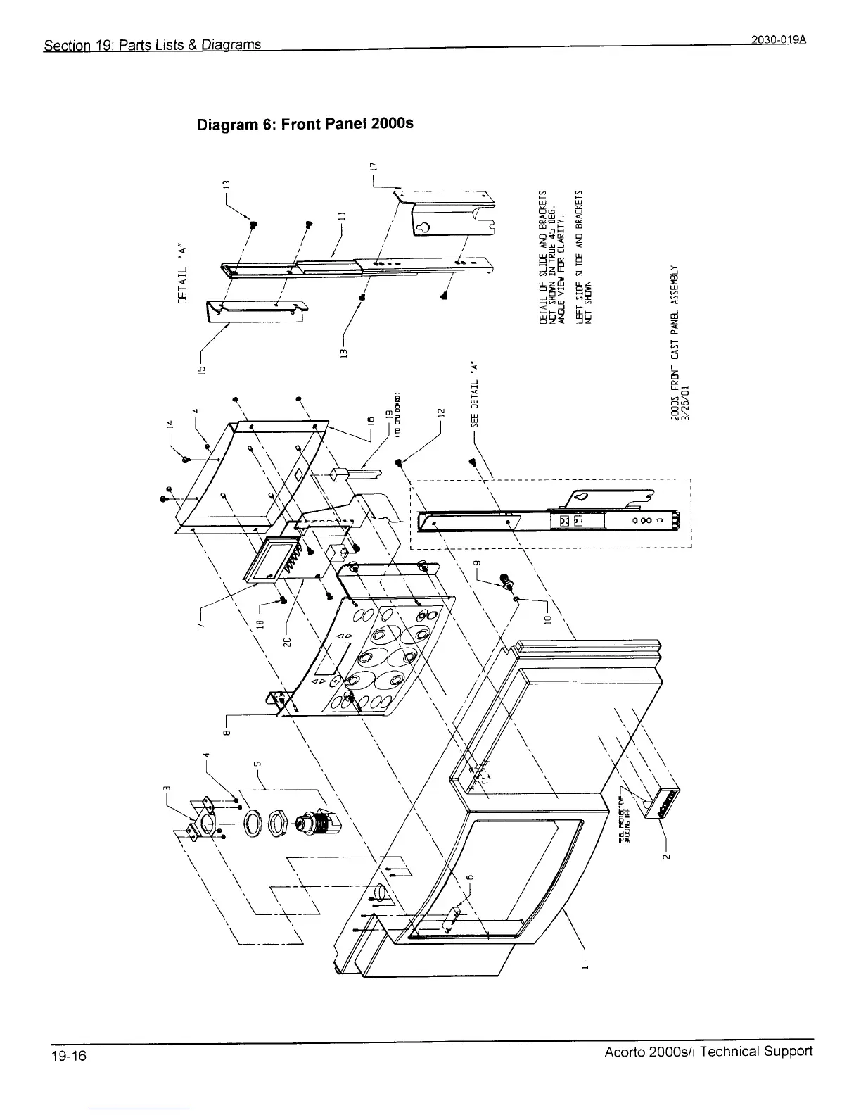
Section
19: Parts
Lists &
Diagrams
Diagram
6: Front
Panel
2000s
:
I
L--
(_
ir\,
-
\,
\
.\
t EflEf\
\'r
---m-_-h6)@D\
$$W
v\Y'
'\
\,
r--
'\
\,
rl\----
'\.
\--'''
--\
/
UU
UgU
@F@
=sE
z
lrl Fr
^,
H
)zE )
E<g E<
C>
HE
:r
6-
ylq?
92
)
@
=
U
d
z
r
q
3
F
=
cr
o
o@
8\
)t
:
it L.,
q
,t
j
rt/i
\R
'\
/,
lit,.t,.
,M
trg\
aE\
Erl
19-16
Acorto
2000s/i
Technical
SuPPort