EasyManua.ls Logo

Acson AWM 20GR - Page 18

Acson AWM 20GR
167 pages
Print Icon
To Next Page IconTo Next Page
To Next Page IconTo Next Page
To Previous Page IconTo Previous Page
To Previous Page IconTo Previous Page
Loading...
15
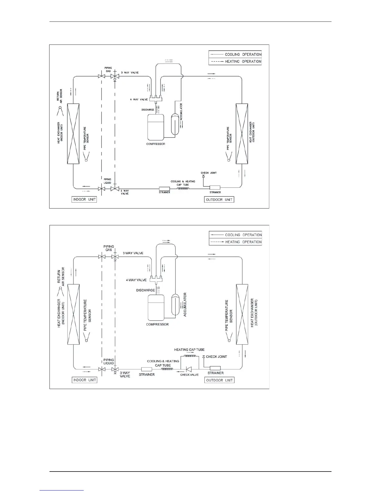
Application Information AWM-G-2009
Model: AWM 25
G
R - AL
C
25
C
R
Model: AWM 301R - ALC 28CR A5WM 301R - A5LC 28CR

Related product manuals