EasyManua.ls Logo

Acson SB75BW - Page 38

Acson SB75BW
56 pages
Print Icon
To Next Page IconTo Next Page
To Next Page IconTo Next Page
To Previous Page IconTo Previous Page
To Previous Page IconTo Previous Page
Loading...
6-4
ОСНОВНОЙ ВВОД
ТРУБКА ДЛЯ ОТВОДА ЛИШНЕЙ ВОДЫ В БЛИЖАЙШИЙ
ДРЕНАЖНЫЙ КАНАЛ/ПРИЕМНИК НА ПОЛУ
ПОТОЛОК
ЖЕЛЕЗОБЕТОННАЯ ПЛИТА
ВОЗДУШНЫЙ ВЕНТИЛЯТОР
КРУГЛЫЙ КЛАПАН
СТЯЖКА
МЯГКИЙ ШЛАНГ
ЗАКРЫВАЮЩИЙСЯ
КЛАПАН
АВТОМАТИЧЕСКИЙ ТРОЙНИК
С ТЕРМОСТАТОМ
НАПРАВЛЕНИЕ
ПОТОКОВ
FCU 1
ЕМКОСТЬ ДЛЯ
ВОДОСНАБЖЕНИЯ
ПОТОЛОК
ЖЕЛЕЗОБЕТОННАЯ ПЛИТА
FCU 2
ПОТОЛОК
ЖЕЛЕЗОБЕТОННАЯ ПЛИТА
FCU 3
ПОТОЛОК
ВПУСК ОХЛАЖДЕННОЙ ВОДЫ
ВОЗВРАТ ОХЛАЖДЕННОЙ ВОДЫ
ЖЕЛЕЗОБЕТОННАЯ ПЛИТА
FCU 4
ПОТОЛОК
ЖЕЛЕЗОБЕТОННАЯ ПЛИТА
FCU 5
ДРЕНАЖНАЯ ТРУБА К БЛИЖАЙШЕМУ ДРЕНАЖНОМУ
КАНАЛУ ИЛИ ПРИЕМНИКУ НА ПОЛУ
T
M
T
M
T
M
T
M
T
M
МИНИАТЮРНЫЙ
ВОЗДУШНЫЙ
ОХЛАДИТЕЛЬ
МЯГКОЕ СОЕДИНЕНИЕ
КОНТРОЛЬНЫЙ КЛАПАН
ДАТЧИК ДАВЛЕНИЯ
ТЕРМОМЕТР
КРУГЛЫЙ КЛАПАН
ЗАКРЫВАЮЩИЙСЯ
КЛАПАН
Круглый Клапан
СТЯЖКА
T
P
T
P
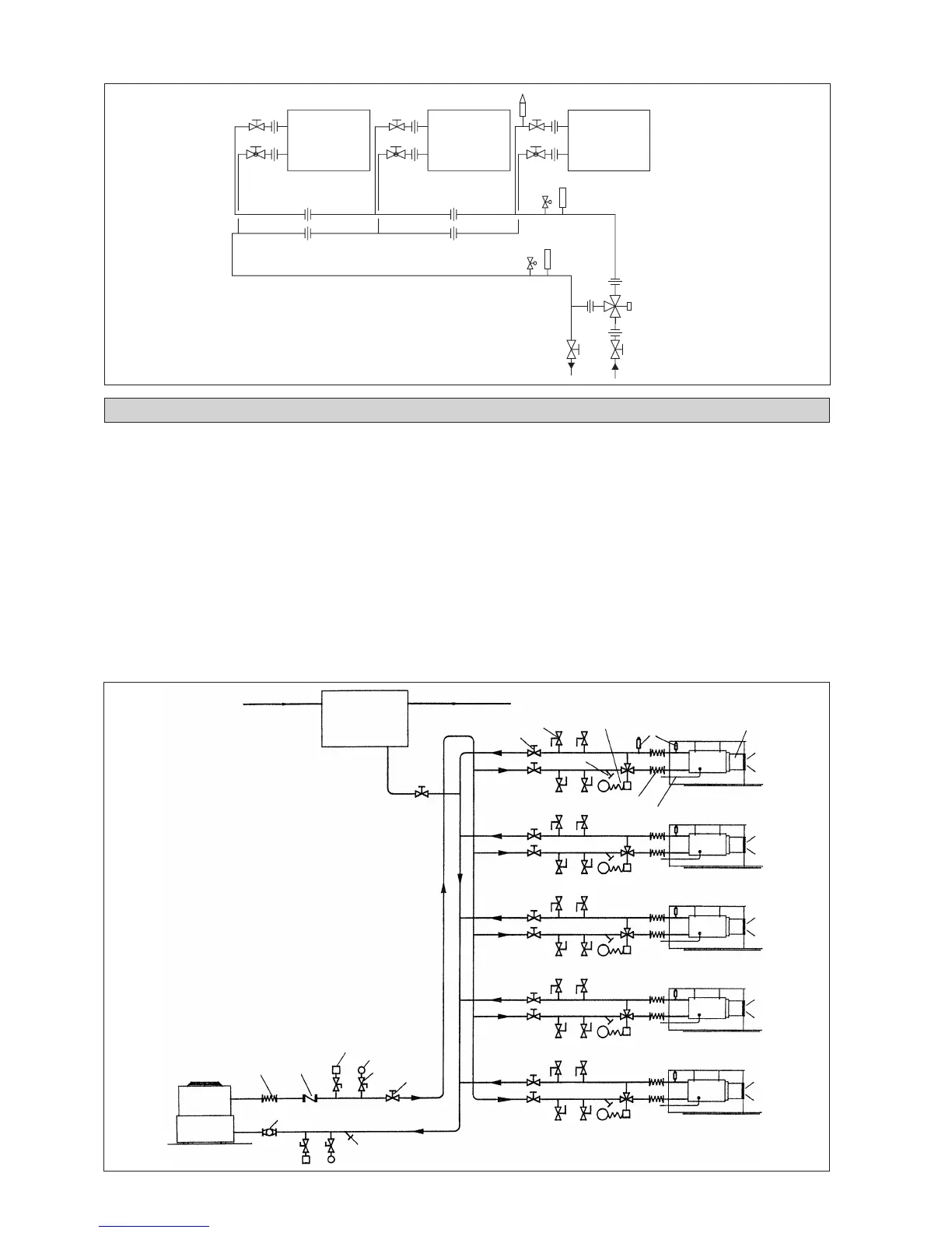
Установка Частй Охлаждающй Систмы со Змвиком
a. Закрывающи Клапаны (запирающи) установлны на
входящй и выходящй части трубопровода при
содиннии с охладитлм и охлаждающй систмой. Это
сдлано для того, чтобы обспчить обслуживани
аппарата и замну го частй бз дрнажа. Круглый
клапан можт быть использован в качств одного из
закрывающих, обспчивая дополнитльно равновси.
b. Использовани нарзных и сварочных содинний
клапанов обспчиват лгко сняти и замну штуцров
при обслуживании. Штуцры расположны обычно
мжду каждым закрывающимся клапаном и
аппаратом. Штуцры такж установлны прд
контрольным клапаном и посл нго и в отдлнии
Руководство по Установк Клапанов и Фиттингов
T
T
FCU 1 FCU 2 FCU 3
Круглый
Клапан
Воздушный Внтилятор
Распрдлитльный
Тройник
** Вс три части охлаждающй систмы со змвиком
обслуживают область с одним и тм ж трмостатом.
Когда тмпратура достигат установлнной вличины,
трмостат подаст сигнал, чтобы тройник начал
направлять воду в обратном направлнии.
Схма Установки Миниатюрного Воздушного Охладитля
тройника. Штуцры можно н использовать, сли для
содинний используются фланцы.
c. Расположит контрольный клапан мжду
закрывающим клапаном и аппаратом, чтобы
обспчить возможность снятия контрольного
клапана бз дрнажа.
d.Фильтры, трмомтры и счтчики давлния
располагаются мжду закрывающимся клапаном и
аппаратом.
На слдующих рисунках изображны примры схм
расположния трубопровода.

Related product manuals