EasyManua.ls Logo

AEG PRO - Quarter Steam + Heat Function; Function Lock; Set + Go; Save Program

AEG PRO
4 pages
Print Icon
To Next Page IconTo Next Page
To Next Page IconTo Next Page
To Previous Page IconTo Previous Page
To Previous Page IconTo Previous Page
Loading...
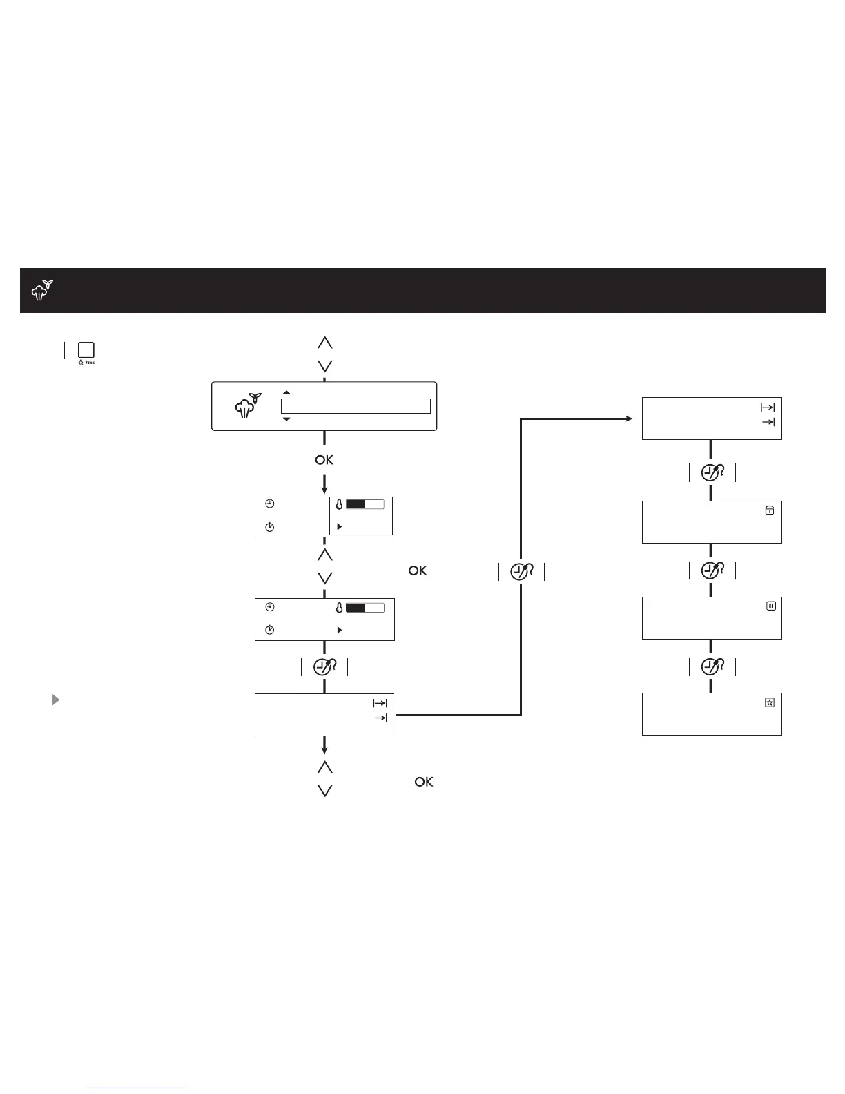
Quarter Steam + Heat
170°C
0:30-0:40
16:30
00:15 140°C
16:30
00:15 170°C
0:00
16:30
1/3
0:30
17:00
1/4
2/4
3/4
4/4
To learn more about
how to cook with your
Steam Oven, please visit
www.aeg.com
Half Steam + Heat
ECO Steam
Duration
Duration
FUNCTION LOCK
SET + GO
End Time
End Time
Press OK to activate
Press OK to activate
Quarter Steam + Heat
Press once
SAVE
Press OK to activate

Related product manuals