EasyManua.ls Logo

AERMEC CS 070 H - Page 39

AERMEC CS 070 H
48 pages
Print Icon
To Next Page IconTo Next Page
To Next Page IconTo Next Page
To Previous Page IconTo Previous Page
To Previous Page IconTo Previous Page
Loading...
39
PE
L
N
230V 50Hz
IG
L
CS HEW H
Sez. 2 mm
2
Sez. 2 mm
2
EW 120 H + CS 120 H
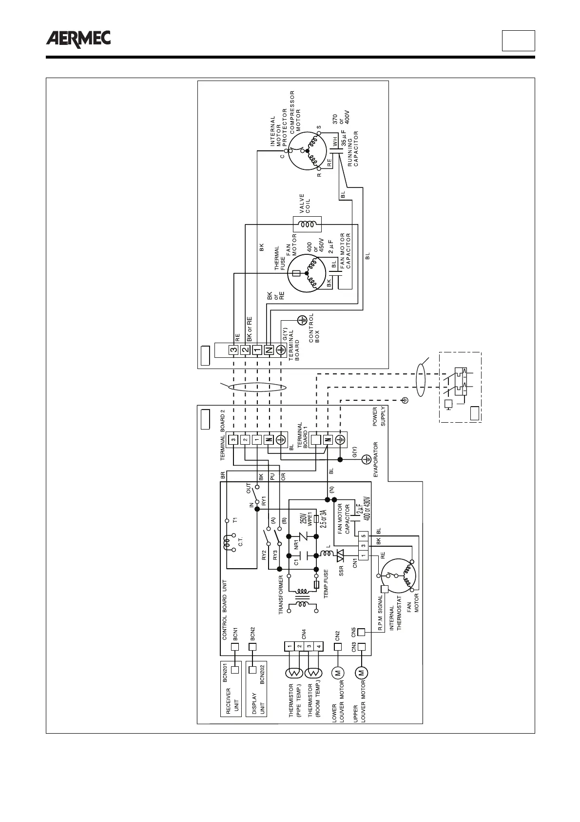
SCHEMI ELETTRICI • WIRING DIAGRAMS • SCHEMAS ELECTRIQUES • SCHALTPLÄNE • ESQUEMAS ELÉCTRICOS
Gli schemi elettrici sono soggetti ad aggiornamento; è opportuno fare riferimento allo schema elettrico allegato all' apparecchio.
Wiring diagrams may change for updating. It is therefore necessary to refer always to the wiring diagram inside the units.
Les schémas électriques peuvent être modifies en conséquence des mises à jour. Il faut toujours se référer aux schémas électriques dans les appareils.
Die Schaltschemas können geändert werden; es empfiehlt sich immer auf das mit dem Gerät verpackte El. Schaltschema zu beziehen.
Los esquemas eléctricos están sujetos a actualizaciones; es necesario consultar el esquema eléctrico adjunto al aparato.

Table of Contents

Related product manuals