EasyManua.ls Logo

AERMEC CS 070 H - Page 45

AERMEC CS 070 H
48 pages
Print Icon
To Next Page IconTo Next Page
To Next Page IconTo Next Page
To Previous Page IconTo Previous Page
To Previous Page IconTo Previous Page
Loading...
45
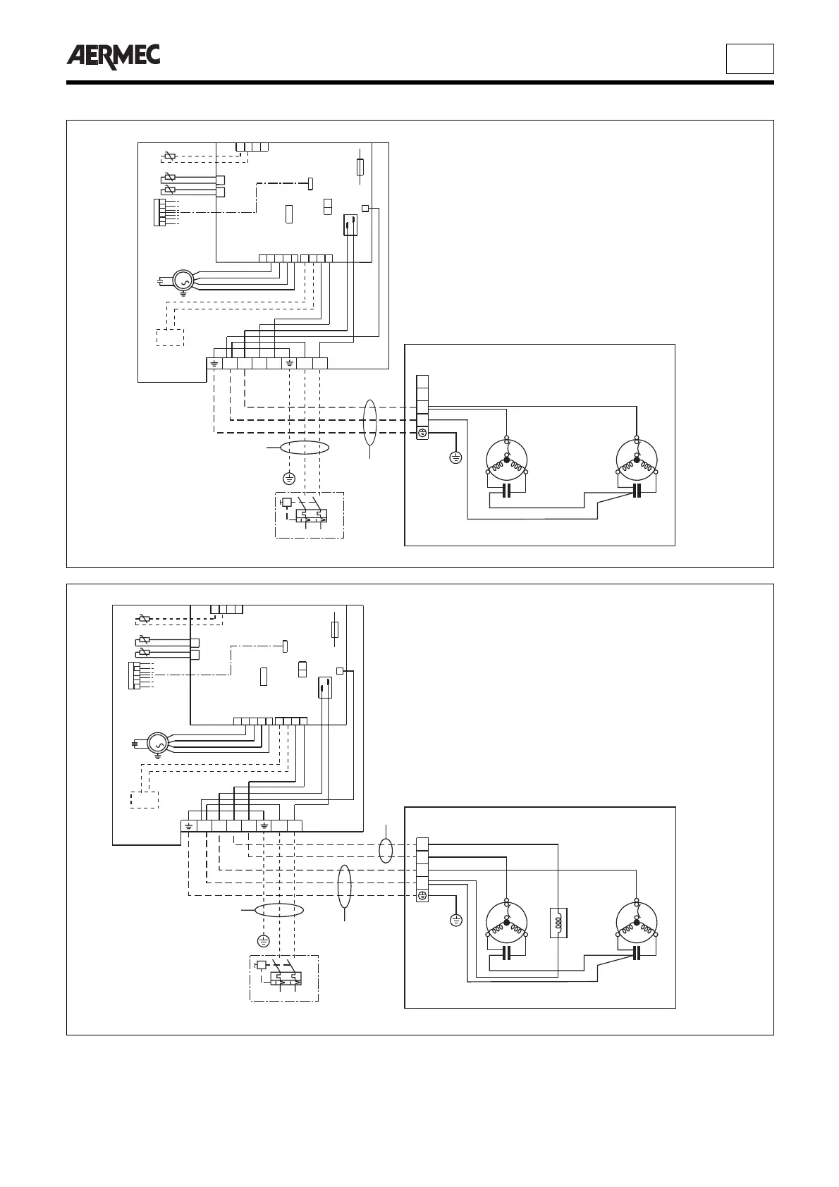
SCHEMI ELETTRICI • WIRING DIAGRAMS • SCHEMAS ELECTRIQUES • SCHALTPLÄNE • ESQUEMAS ELÉCTRICOS
Gli schemi elettrici sono soggetti ad aggiornamento; è opportuno fare riferimento allo schema elettrico allegato all' apparecchio.
Wiring diagrams may change for updating. It is therefore necessary to refer always to the wiring diagram inside the units.
Les schémas électriques peuvent être modifies en conséquence des mises à jour. Il faut toujours se référer aux schémas électriques dans les appareils.
Die Schaltschemas können geändert werden; es empfiehlt sich immer auf das mit dem Gerät verpackte El. Schaltschema zu beziehen.
Los esquemas eléctricos están sujetos a actualizaciones; es necesario consultar el esquema eléctrico adjunto al aparato.
IG
L
N
Sez. 2,5 mm
2
1~ 230V 50Hz
Sez. 2,5 mm
2
1
N
CS 180
PE
GY
RO
BL
BL
RS
C
RO
WH
MV CP
NE
BL
NE
BL
BL
UE
SD
SA
SC
SA
RECEIVER
MV
123
V1
V0
F 3,15A 250V
SW
SAE
EXTERNAL
CONTACT
LOUVER
MOTOR
N
L
N
1
2
3
UI
RO
MA
NE
BL
SD
SW
V2
V3
MV
N
N
VI
RE
2
1
N
RL8
4
SW3
1
M
RECEIVER
4
6
532
1
NE
BI
GI
MA
BL
RO
KIT
RE - VCF
EXC 181
SD
SA
SC
SA
RECEIVER
MV
123
V1
V0
F 3,15A 250V
SW
SAE
EXTERNAL
CONTACT
LOUVER
MOTOR
N
L
N
1
2
3
UI
RO
MA
NE
BL
SD
SW
V2
V3
MV
N
N
VI
RE
2
1
N
RL8
4
SW3
1
M
RECEIVER
4
6
532
1
NE
BI
GI
MA
BL
RO
KIT
RE - VCF
EXC 181
IG
L
N
Sez. 2,5 mm
2
1~ 230V 50Hz
Sez. 2,5 mm
2
1
N
CS 180 H
2
3
Sez. 2 mm
2
PE
GY
NE
or
RO
NE
RO
NE or RO
BL
BL
RS
C
RO
WH
VIMV CP
NE
BL
NE
BL
BL
UE
EXC 181 + CS 180 H
EXC 181 + CS 180

Table of Contents

Related product manuals