EasyManua.ls Logo

AERMEC MIH 070 E - Page 39

AERMEC MIH 070 E
48 pages
Print Icon
To Next Page IconTo Next Page
To Next Page IconTo Next Page
To Previous Page IconTo Previous Page
To Previous Page IconTo Previous Page
Loading...
39
1/4
1/4
3/8
3/8
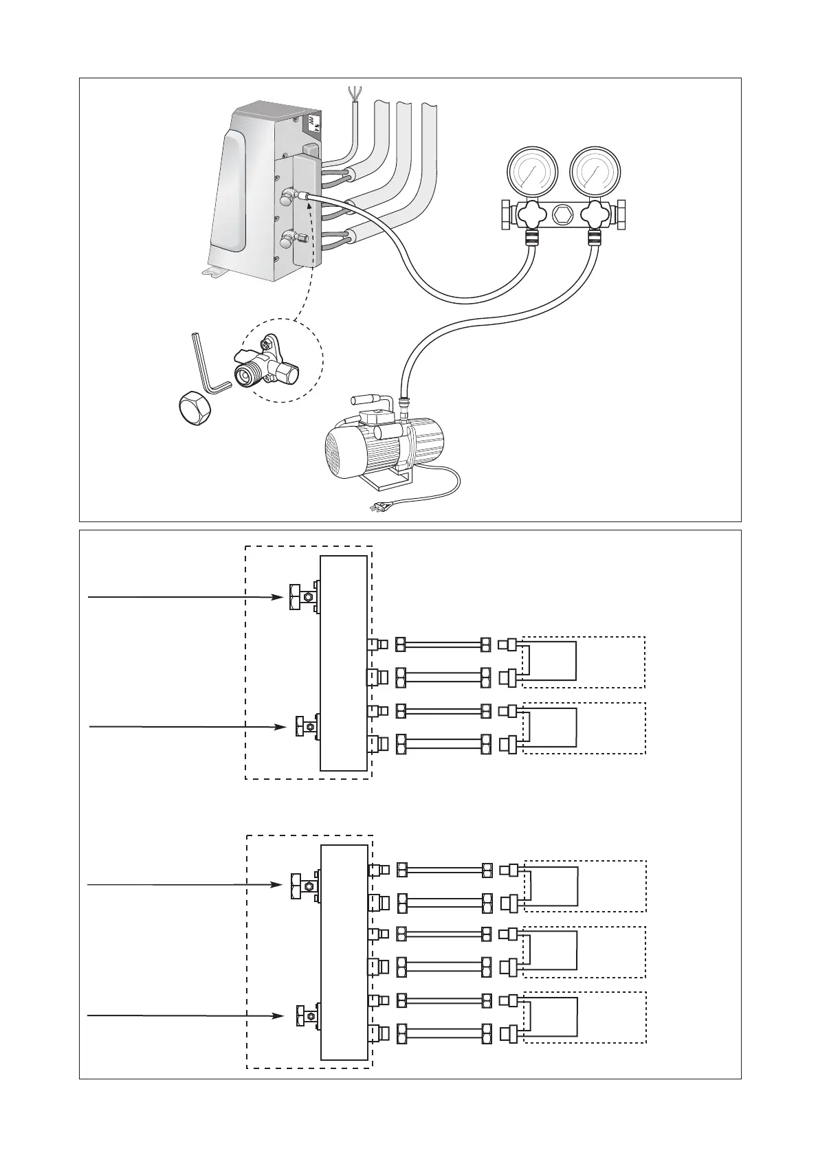
MIH180C
Gas (A)
Gas (B)
Liq. (A)
Liq. (B)
(B)
(A)
MIH-E
MIHP-E
MIH-E
MIHP-E
Vanne de la ligne du liquide
Ventil der Flüssigkeitsleitung
Vanne de la ligne du gaz
Ventil der Gasleitung
Liq. = Ligne liquide • Flüssigkeitleitung 6,35 x (0,8) (1/4”)
Gas = Ligne gaz • Gasleitung 9,52 x (0,8) (3/8”)
1/4
3/8
1/4
1/4
3/8
3/8
(B)
(A)
MIH-E
MIHP-E
MIH240C
Gas (A)
Gas (B)
Gas (C)
Liq. (A)
Liq. (B)
Liq. (C)
(C)
MIH-E
MIHP-E
MIH-E
MIHP-E
Vanne de la ligne du liquide
Ventil der Flüssigkeitsleitung
Vanne de la ligne du gaz
Ventil der Gasleitung
Fig. 2
Fig. 3

Table of Contents

Related product manuals