EasyManua.ls Logo

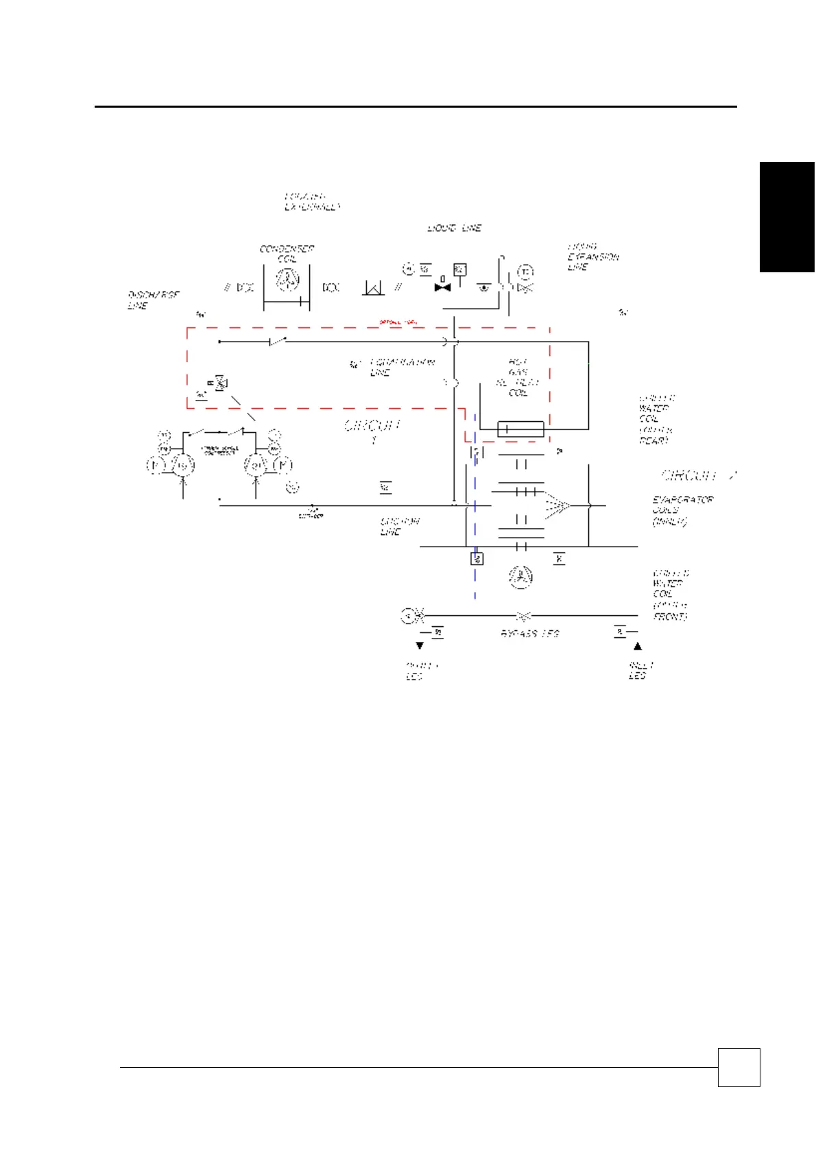
AIREDALE SmartCool D - X2 C0 Pipework Schematics

Default Icon
218 pages
Print Icon
To Next Page IconTo Next Page
To Next Page IconTo Next Page
To Previous Page IconTo Previous Page
To Previous Page IconTo Previous Page
Loading...
Precision Air Conditioning
SmartCool
TM
– D
Precision Air Conditioning
49
Installation, Maintenance and Commissioning Manual :6877419 02/2013
X2C0
Installation

Related product manuals