EasyManua.ls Logo

AIRSYS UNICOOL 28V1B5 - Page 30

Default Icon
121 pages
Print Icon
To Next Page IconTo Next Page
To Next Page IconTo Next Page
To Previous Page IconTo Previous Page
To Previous Page IconTo Previous Page
Loading...
Installation
30
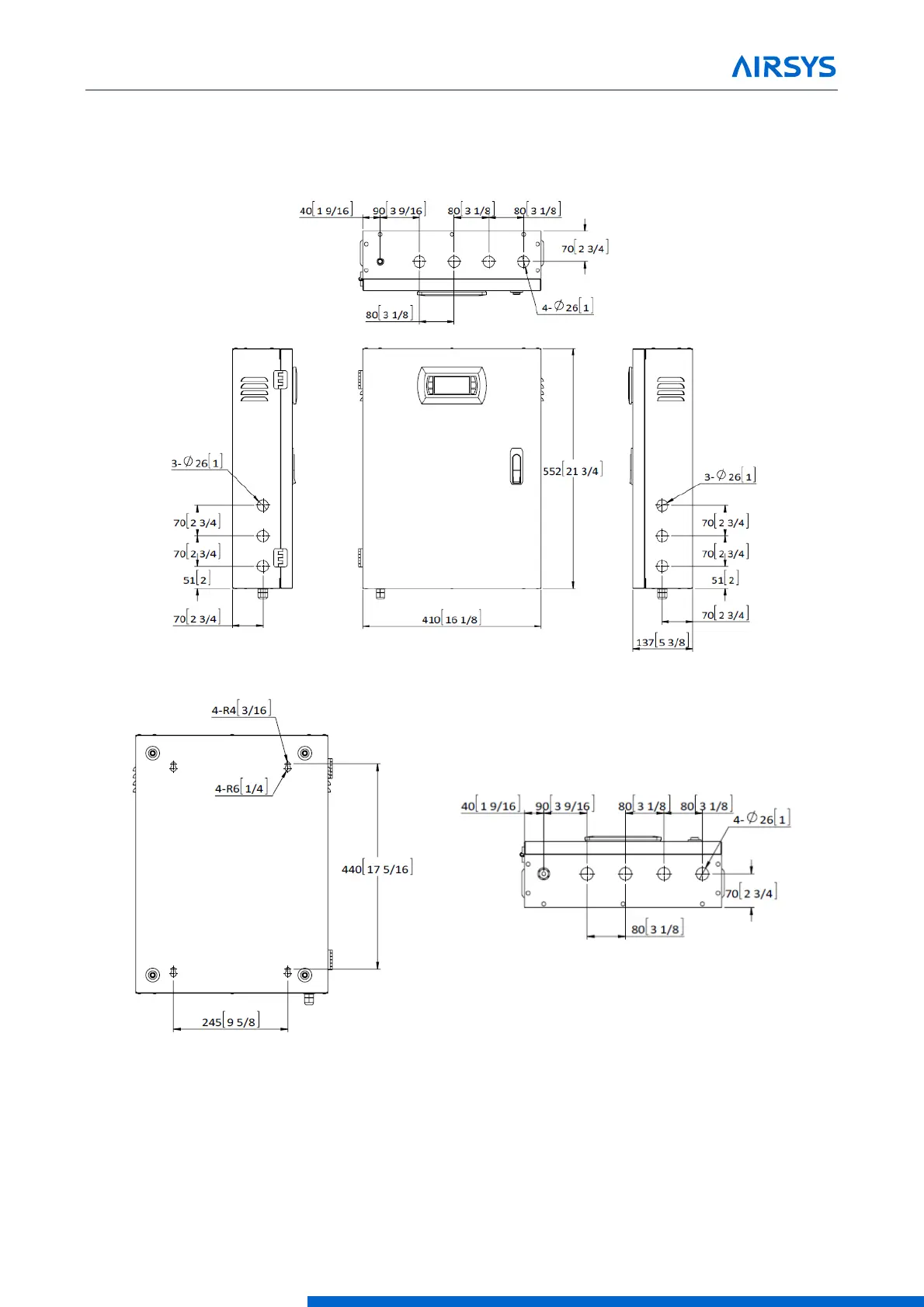
3.4 Controller Box Installation
Find a suitable location inside the shelter to mount the controller box. Mount the controller box so that the PGD
is near the eye level of the intended operator.

Other manuals for AIRSYS UNICOOL 28V1B5

Related product manuals