EasyManua.ls Logo

Akai RC-90 - Page 5

Akai RC-90
6 pages
Print Icon
To Next Page IconTo Next Page
To Next Page IconTo Next Page
To Previous Page IconTo Previous Page
To Previous Page IconTo Previous Page
Loading...
V.
SCHEMATIC
DIAGRAM
OF
ICs
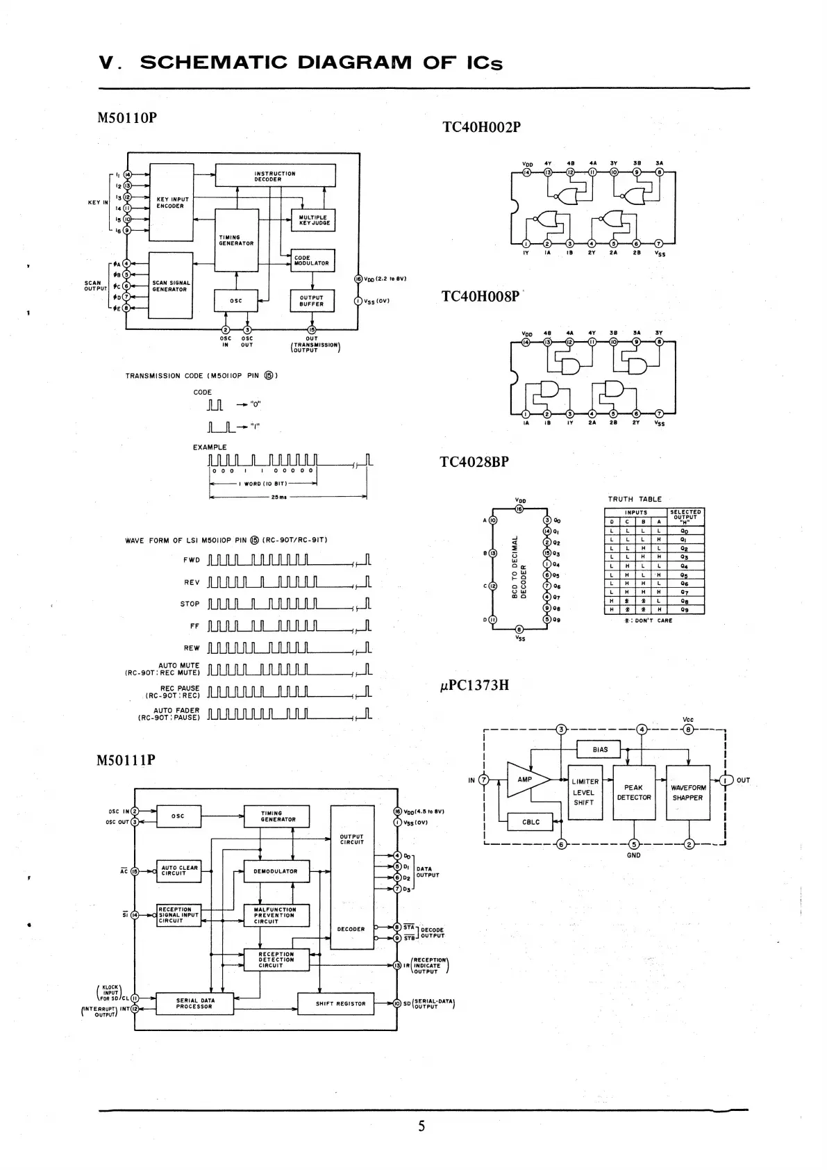
MS0110P
KEY
INPUT
ENCODER
KEY
IN
TIMING
GENERATOR
SCAN
SIGNAL
GENERATOR
2)—@)
osc
osc
OUT
IN
ouT
TRANSMISSION
OUTPUT
TRANSMISSION
CODE
(MS5OIIOP
CODE
ii
—»
"9"
|
|
—»
"|"
EXAMPLE
MUU
LULL,
000
1
!
000
0
i
;
:
1
WORD
(10
BIT)
25ms
WAVE
FORM
OF
LSi
MS5OIIOP
PIN
@
(RC-90T/RC-9IT)
ewo
HMMM
DAMM
_,,
MLL
AA
LILA
NAA
_,,
8
re
UL
I
A
LULL,
LULA
LULL,
A
LULA,
REV
STOP
REW
AUTO
MUTE
(RC-90T:
REC
MUTE)
REC
PAUSE
.(RC-90T
>
REC)
AUTO
FADER
(RC-90T
;
PAUSE)
M50111P
wen
Se
OSC
OUT
___|
AUTO
CLEAR
AC
mO
CIRCUIT
ey
RECEPTION
Si
((4)—mO]
SIGNAL
INPUT
|
|
CIRCUIT
KLOCK
INPUT
FOR
SD/CL
SERIAL
DATA
SHIFT
REGISTOR
Mae
iNT
(12)
PROCESSOR
OUTPUT
TC40H002P
INSTRUCTION
DECODER
E
MULTIPLE
KEY
JUDGE
(16)
Vpp
(2.2
to
BV)
(1)
Vss
(Ov)
PIN
©)
TC4028BP
Voo
BCD
TO
DECIMAL
ao
uJ
Q
Oo
S)
ve
Q
Vss
(16)
Vpp
(4.5
to
BV)
TIMING
GENERATOR
(1)
Vgg
(ov)
ae,
SurRuE
|
a
CIRCUIT
ee
a
(4)
D9
DEMODULATOR
©)
|
ara
| |
bp
|
OUTPUT
me
Tt”
MALFUNCTION
PREVENTION
CIRCUIT
a
STA
DECODE
(9)
sted
ouTPUT
RECEPTION
a
DETECTION
n
RECEPTION
CIRCUIT
IR|
INDICATE
OUTPUT
SERIAL-DATA
(10)
so
laucrur
4A
4yY
3B
3A
3Y
TRUTH
TABLE
INPUTS
SELECTED
po
fe
|
eta
tH
pe
tetetetl
a |
pete
tetay
a
Petey
atecl
e
|
pete
yet
ay]
os
peta
pete
pete
fet
Hw
|
os
|
pe
tH
[Hie]
oe
|
petuiwxtH
|]
oe
pHi
|
ete]
oe
pH
{etal
Hy]
a9
|
%&:
DON'T
CARE
Vec
LIMITER
|
LEVEL
-
WAVEFORM
SHAPPER
|
PEAK
DETECTOR