EasyManua.ls Logo

Alcolock V3 - Page 7

Alcolock V3
8 pages
Print Icon
To Next Page IconTo Next Page
To Next Page IconTo Next Page
To Previous Page IconTo Previous Page
To Previous Page IconTo Previous Page
Loading...
INSTRUCTION MANUAL
5
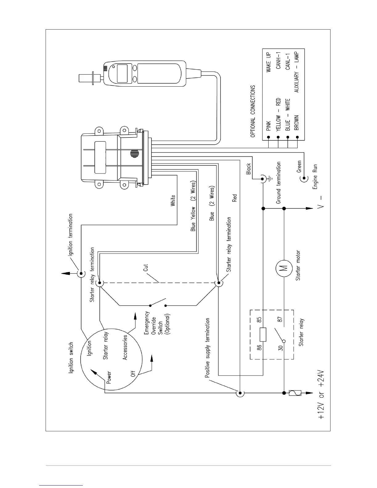
ALCOLOCK V3 B-2 Circuit Diagram (12V or 24V)
ALCOLOCK V3 ECU
12V or 24V
ALCOLOCK
V3
Handset
Fuse 10A

Related product manuals