EasyManua.ls Logo

ALERTUS USB PB - Dimensional Drawings

Default Icon
3 pages
Print Icon
To Previous Page IconTo Previous Page
To Previous Page IconTo Previous Page
Loading...
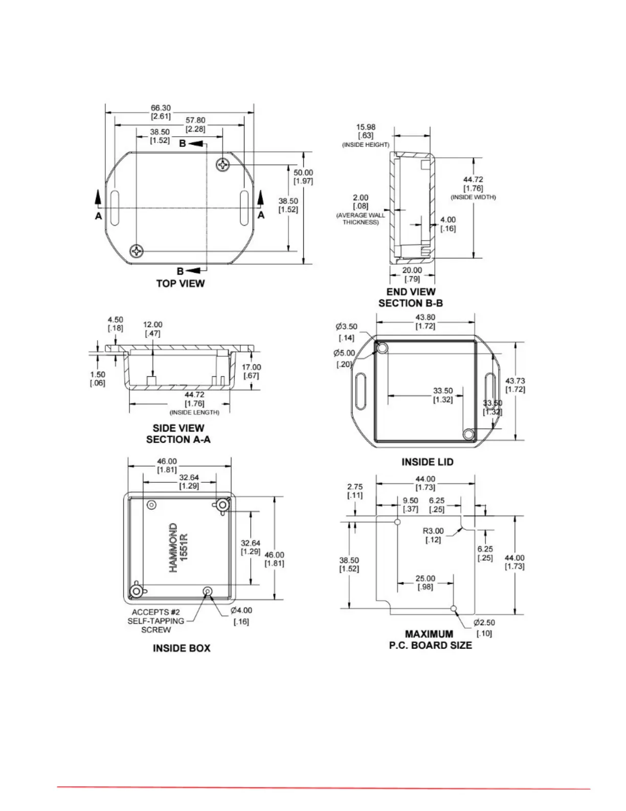
Appendix: Dimensional Drawings