EasyManua.ls Logo

Alinco EMS52 - Page 20

Alinco EMS52
22 pages
Print Icon
To Next Page IconTo Next Page
To Next Page IconTo Next Page
To Previous Page IconTo Previous Page
To Previous Page IconTo Previous Page
Loading...
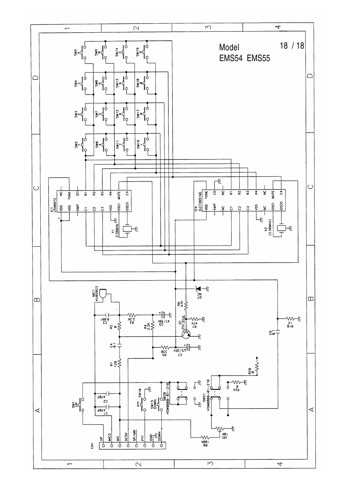
Model
EMS54 EMS55
18 / 18
All manuals and user guides at all-guides.com