EasyManua.ls Logo

Allison MD 3066 - Page 60

Allison MD 3066
396 pages
Print Icon
To Next Page IconTo Next Page
To Next Page IconTo Next Page
To Previous Page IconTo Previous Page
To Previous Page IconTo Previous Page
Loading...
6–24 Copyright © 1998 General Motors Corp.
WTEC II ELECTRONIC CONTROLS TROUBLESHOOTING MANUAL
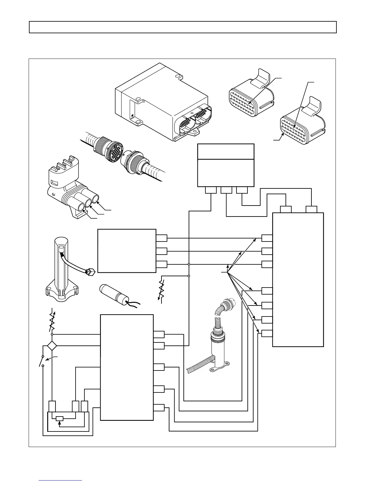
Figure 64. Code 14 Schematic Drawing (Units Produced 9/9412/97)
ECU
B
A
A 6
B 27
B 31
C
B 22
B 1
A 24
B 30 A 33
TO RETARDER
CONTROL DEVICES
RTDR MODULATION
REQUEST
RESISTANCE
MODULE
ACB
135 A GREEN
RETARDER
TEMP
SENSOR
135 C
135 B GREEN
135 B GREEN
156 BLUE
124 RED
164 YELLOW
133 WHITE
SUMP
TEMP
SENSOR
TPS
165 BLUE
162 WHITE
B 28
RED
RED
BLACK
BLUE
BLACK
AB
106 WHITE
161 YELLOW
SUMP TEMP SENSOR
AND OIL LEVEL
SENSOR GROUND
OIL LEVEL POWER
OIL LEVEL SIGNAL
TRANSMISSION
ANALOG GROUND
SIGNAL GROUND
OLS POWER
OIL LEVEL
C3PS INPUT
THROTTLE SIGNAL
TPS HI
RTDR
MOD.
SIGNAL
RTDR
MOD.
HI
A
B
C
NOTE: These wires may pass through a bulkhead connector.
WHITE
D
N
W
D
Y
X
B 22
B
A
A 24
B 1
ECU
V04920
B
(BLACK)
A
(BLACK/WHITE)
SEE NOTE
C3
PRESSURE
SWITCH
TID1
CODE 14 XX OIL LEVEL SENSOR

Table of Contents

Related product manuals