EasyManua.ls Logo

Alpha CB24 - Page 28

Alpha CB24
36 pages
Print Icon
To Next Page IconTo Next Page
To Next Page IconTo Next Page
To Previous Page IconTo Previous Page
To Previous Page IconTo Previous Page
Loading...
28
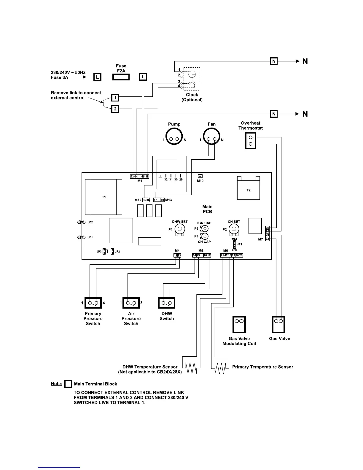
Alpha CB24/28 - Wiring Diagrams
9.2 FUNCTIONAL FLOW WIRING DIAGRAM

Other manuals for Alpha CB24

Related product manuals