EasyManua.ls Logo

Alpha CD24C - Page 32

Alpha CD24C
40 pages
Print Icon
To Next Page IconTo Next Page
To Next Page IconTo Next Page
To Previous Page IconTo Previous Page
To Previous Page IconTo Previous Page
Loading...
32
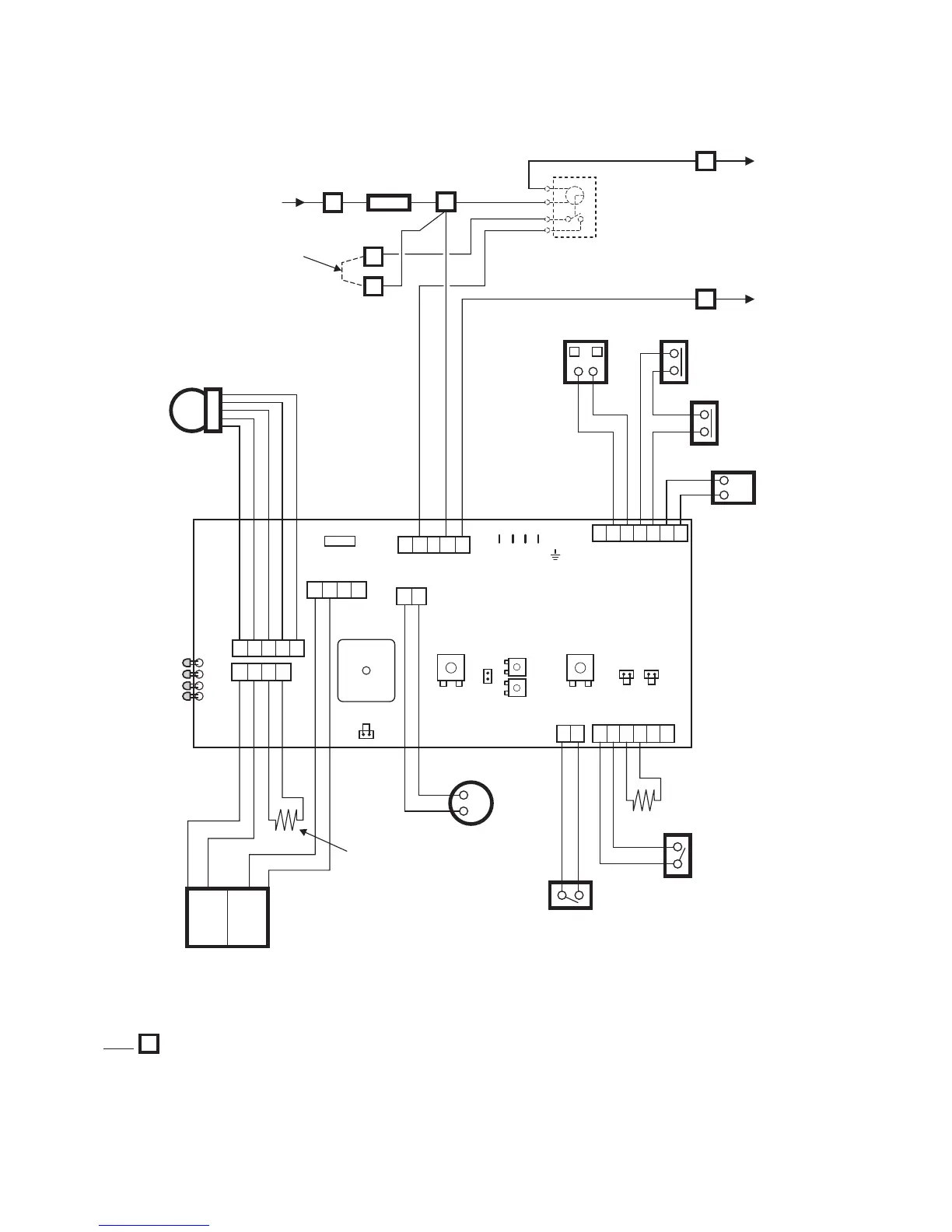
9.2 FUNCTIONAL FLOW WIRING DIAGRAM
X6
X9
S3
S1 S2
X10
X8
LN
X16
X7
X1
Main
PCB
CH SETDHW SET
FUSE 315 mAT
CH CAP
MAX CAP
X11
X12
X4
H1
Green LED
H4
Yellow LED
H3
Red LED
H2
Red LED
29 30 31 32
40
36
35
11
41
37
12
42
18
44
19
45
38
13
43
39
14
3433 3
55
2
24
49
26
51
25
50
22
47
23
48
2721
46
Clock
(Optional)
1
2
3
4
Pump
Fan
Gas Valve
Primary
Temperature
Sensor
DHW Switch
Primary
Pressure
Switch
NOCOM
Overheat
Thermostat
Spark
Generator
Flue Limit
Thermostat
Fuse
F2A
2
1
230/240V ~ 50Hz
Fuse 3A
Remove link to connect
external control
N
N
Note:
Main Terminal Block
N
L
L
DHW
Temperature
Sensor
Transformer
N
L
N
TO CONNECT EXTERNAL CONTROL REMOVE LINK
FROM TERMINALS 1 AND 2 AND CONNECT 240 V
SWITCHED LIVE TO TERMINAL 1.
240 Vac
24 Vac
Alpha CD24C/32C - Wiring Diagrams

Other manuals for Alpha CD24C

Related product manuals