EasyManua.ls Logo

Alpine CDE-9870 - Page 80

Alpine CDE-9870
84 pages
Print Icon
To Next Page IconTo Next Page
To Next Page IconTo Next Page
To Previous Page IconTo Previous Page
To Previous Page IconTo Previous Page
Loading...
24-ES
01ES05CDE9870.fm
ALPINE CDE-9870 68-05946Z88-A (ES)
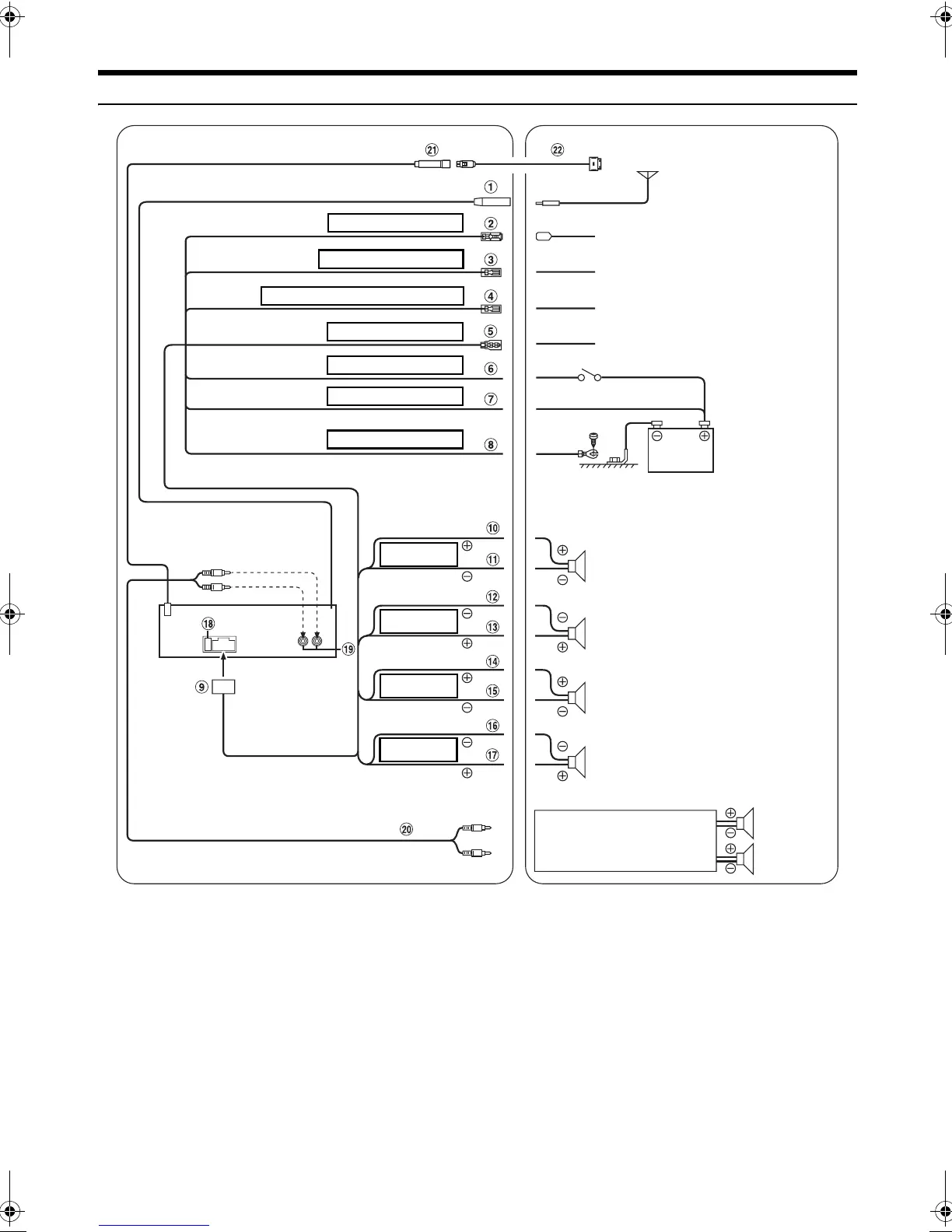
Conexiones
Antena
ANTENA ELÉCTRICA
Azul/blanco
ILUMINACIÓN
MASA
BATERÍA
Verde
Verde/negro
Blanco/negro
Gris
Violeta/negro
Violeta
Al iPod
A la antena eléctrica
Al amplificador
Al cable de iluminación del conjunto de
instrumentos
Llave de contacto
Batería
Altavoces
Posterior izquierdo
Frontal derecho
Posterior derecho
Amplificador
Blanco
ALTAVOZ
FRONTAL DERECHO
ALTAVOZ
POSTERIOR DERECHO
ALTAVOZ
POSTERIOR IZQUIERDO
ALTAVOZ
FRONTAL IZQUIERDO
Frontal izquierdo
ACTIVACIÓN AUTOMÁTICA
ENTRADA DE INTERRUPCIÓN DE AUDIO
Rosa/negro
ENCENDIDO
Gris/negro
Al teléfono del vehículo
Delantero o
Subwoofers
*
Altavoces
Azul
Naranja
Rojo
Amarillo
Negro
01ES00CDE9870.book Page 24 Wednesday, October 11, 2006 7:34 PM

Table of Contents

Related product manuals