EasyManua.ls Logo

Alpine CDE-9881L - Page 56

Alpine CDE-9881L
Print Icon
To Next Page IconTo Next Page
To Next Page IconTo Next Page
To Previous Page IconTo Previous Page
To Previous Page IconTo Previous Page
Loading...
26-PT
01PT05CDE9881L.fm
ALPINE CDE-9881L 68-08564Z07-A (PT)
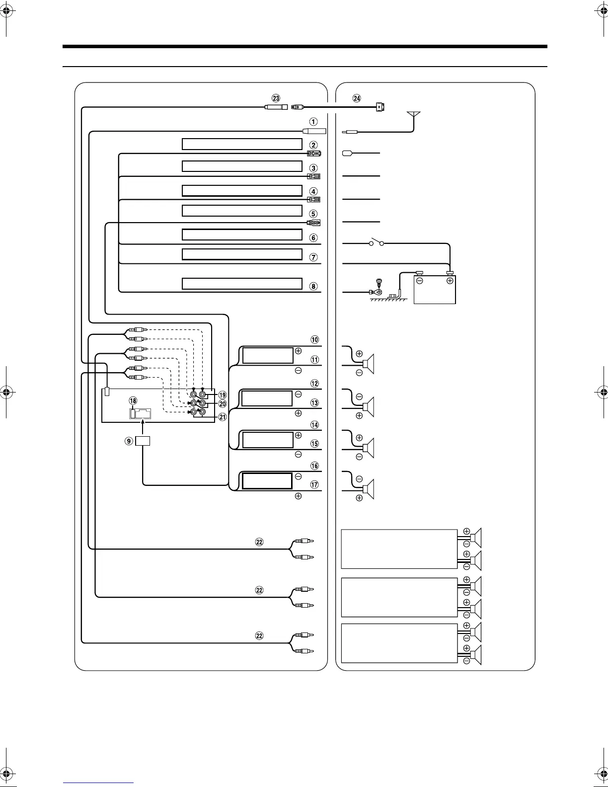
Conexões
Antena
Azul
ANTENA ELÉTRICA
Azul/Branco
Laranja ILUMINAÇÃO
Preto TERRA
Amarelo BATERIA
Verde
Verde/P reto
Branco/Preto
Cinza
Violeta/Preto
Violeta
Ao iPod
Para a antena elétrica
Para o amplificador
Para o cabo de iluminação do cluster
de instrumento
Chave de ignição
Bateria
Alto-falantes
Traseiro esquerdo
Dianteiro direito
Traseiro direito
Amplificador
Branco
ALTO-FALANTE
DIANTEIRO DIREITO
ALTO-FALANTE
TRASEIRO DIREITO
ALTO-FALANTE
TRASEIRO ESQUERDO
ALTO-FALANTE
DIANTEIRO ESQUERDO
Dianteiro esquerdo
ATIVAÇÃO REMOTA
Subwoofers
ENTRADA DE INTERRUPÇÃO DE ÁUDIO
Rosa/Preto
Vermelho IGNIÇÃO
Cinza/Preto
Para o telefone do veículo
Amplificador
Amplificador
Traseiro
esquerdo
Traseiro
direito
Dianteiro
esquerdo
Dianteiro
direito
Alto-falantes
01PT00CDE9881L.book Page 26 Saturday, October 21, 2006 3:32 PM

Table of Contents

Related product manuals