EasyManua.ls Logo

Alpine HALO11 - Page 89

Alpine HALO11
123 pages
Print Icon
To Next Page IconTo Next Page
To Next Page IconTo Next Page
To Previous Page IconTo Previous Page
To Previous Page IconTo Previous Page
Loading...
89-EN
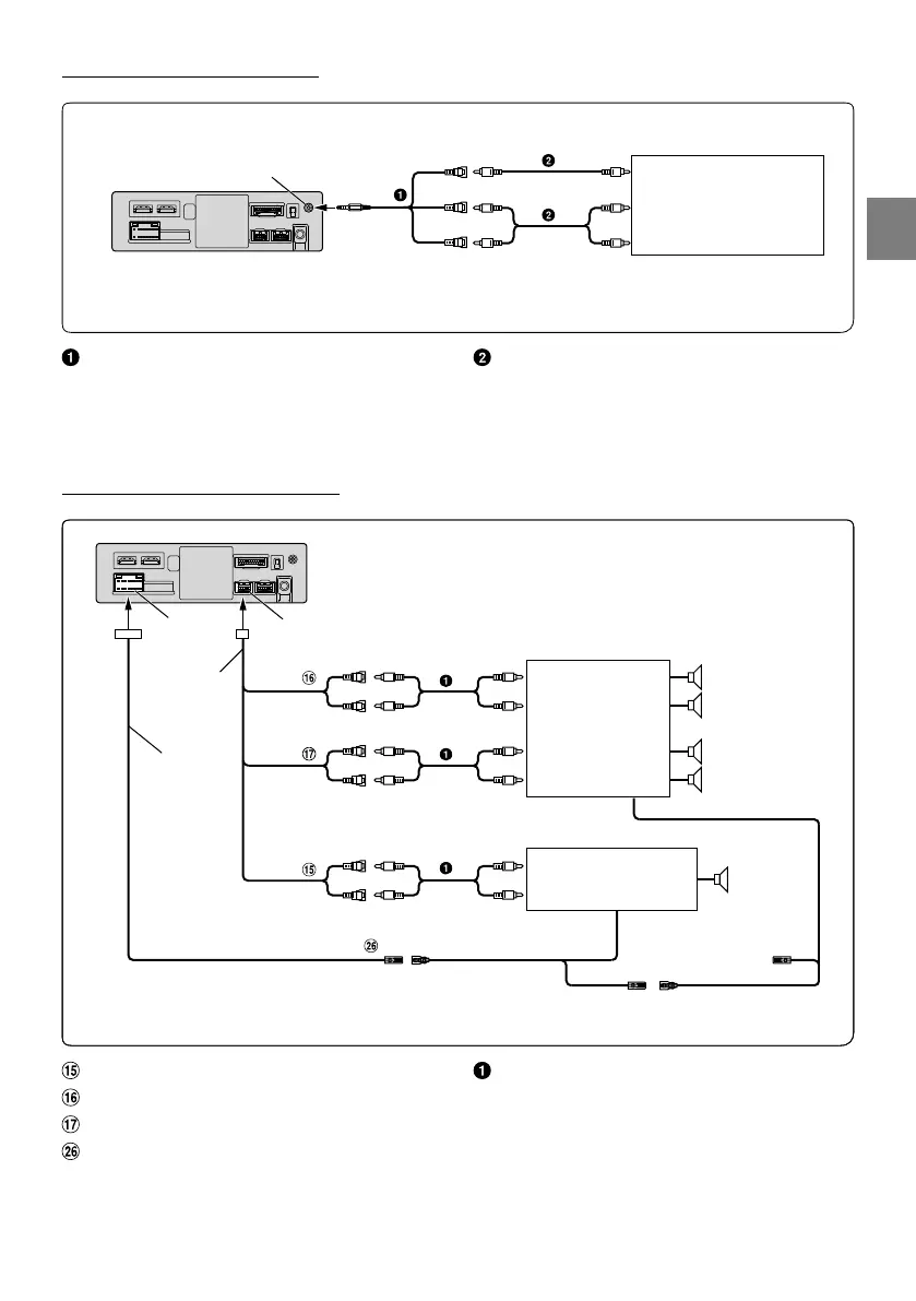
Connection of an External Device
AUX Input Connector
(Red)
(White)
To Video Output terminal
To Audio Output terminal
External Device
(sold separately)
(Yellow)
AV/RCA Interface Cable (4-pole mini AV plug to
3-RCA) (sold separately)
RCA Extension Cable (sold separately)
You can change the name of an external device. For details, refer to “Setting the Auxiliary (AUX) Name” in the OWNER’S
MANUAL.
Connection of an External Amplifier
PRE OUT Connector
Power Supply
Connector
Power cable
PRE OUT
cable
REMO
(Blue/White)
REMOTE ON
(Blue/White)
REMOTE ON
(Blue/White)
SUBW
Amplifier for subwoofer
(sold separately)
To subwoofer input terminal
FRONT OUT
REAR OUT
To front input terminal
Amplifier 4 ch
(sold separately)
To rear input terminal
(Red)
(Red)
(White)
(White)
Subwoofer
Front speaker
Rear speaker
Subwoofer RCA Connectors
Front Output RCA Connectors
Rear Output RCA Connectors
Remote Turn-On Lead (Blue/White)
RCA Extension Cable (sold separately)

Table of Contents