EasyManua.ls Logo

Alpine INE-W720D - Page 126

Alpine INE-W720D
148 pages
Print Icon
To Next Page IconTo Next Page
To Next Page IconTo Next Page
To Previous Page IconTo Previous Page
To Previous Page IconTo Previous Page
Loading...
12-RU
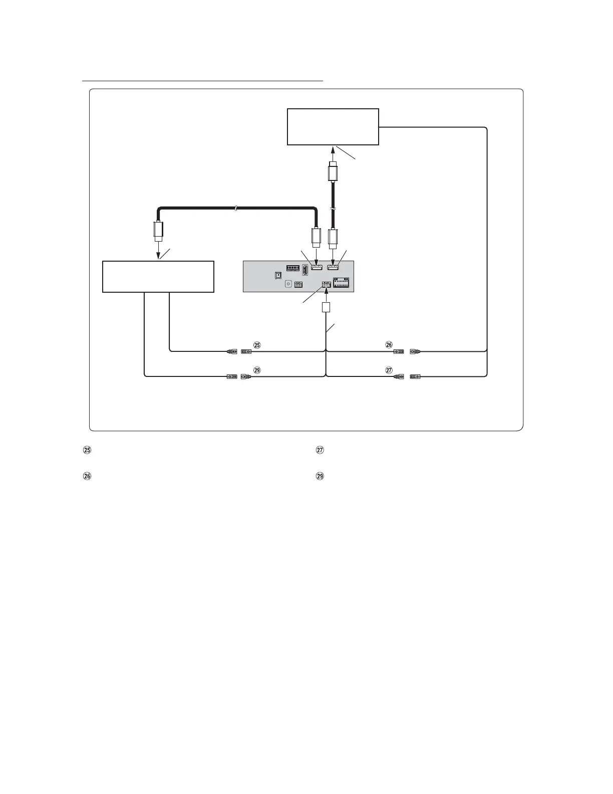
Подключение DVE-5300 и заднего монитора с поддержкой HDMI
Выход дистанционного управления (Коричневый)
(для DVD-проигрывателя DVE-5300)
Выход дистанционного управления (Коричневый)
(для заднего монитора)
Выход дистанционного управления (Коричневый/
белый) (для заднего монитора)
Вход управления DVD (Красный/белый) (для DVD-
проигрывателя DVE-5300)
* При подключении кабеля HDMI фиксируйте его с помощью прилагаемого кронштейна крепления HDMI. Для получения дополнительной
информации о его фиксации см. “Примечание относительно использования соединительных кабелей HDMI” (стр. 4).
Установите для настройки HDMI значение “DVD”. Для получения дополнительной информации см. раздел “Настройка HDMI” в
РУКОВОДСТВЕ ПОЛЬЗОВАТЕЛЯ (CD-ROM).
Выходной разъем HDMI
Входной разъем
HDMI*
DVE-5300 (приобретается
дополнительно)
Входной разъем HDMI
Задний монитор с
поддержкой HDMI
(приобретается
дополнительно)
Соединительный кабель HDMI
(приобретается дополнительно)
Разъем W.REMOTE
Соединительный кабель HDMI (в комплекте с DVE-5300)
Выходной разъем HDMI*
REMOTE IN
(Коричневый)
DVD REMOTE
(Коричневый)
MON REMOTE
(Коричневый)
REMOTE IN
REMOTE OUTREMOTE IN
(Белый/коричневый)
Кабель W.REMOTE
DVD STATUS IN
(Красный/белый)
REMOTE OUT
(Коричневый)

Table of Contents

Related product manuals