EasyManua.ls Logo

Alpine INE-W720D - Page 142

Alpine INE-W720D
148 pages
Print Icon
To Next Page IconTo Next Page
To Next Page IconTo Next Page
To Previous Page IconTo Previous Page
To Previous Page IconTo Previous Page
Loading...
12-PL
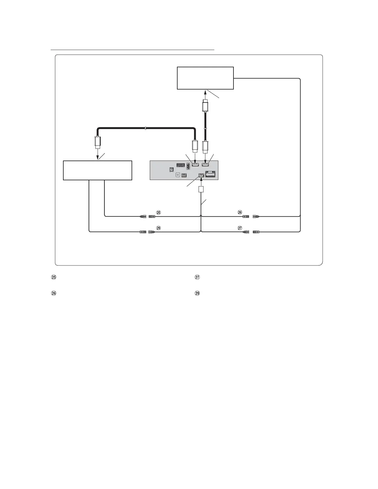
Podłączanie odtwarzacza DVE-5300 oraz monitora tylnego z obsługą HDMI
Przewód wyjściowy zdalnego sterowania (brązowy) (do
odtwarzacza DVD DVE-5300)
Przewód wyjściowy zdalnego sterowania (brązowy) (do
monitora tylnego)
Przewód wejściowy zdalnego sterowania (brązowy/
biały) (do monitora tylnego)
Przewód wejściowy sterowania odtwarzaczem DVD
(czerwony/biały) (do odtwarzacza DVD DVE-5300)
* Przy podłączaniu przewodu połączeniowego HDMI należy użyć dostarczonego wspornika mocującego HDMI. Szczegółowe informacje na temat sposobu
jego użycia można znaleźć w części „Uwaga dotycząca korzystania z przewodów połączeniowych HDMI” (str. 4).
W konfiguracji HDMI należy wybrać opcję „DVD”. Szczegółowe informacje można znaleźć w INSTRUKCJI OBSŁUGI (na płycie CD-ROM) w części
„Ustawienie HDMI.
Złącze wyjścia HDMI Złącze wejścia HDMI*
Odtwarzacz DVE-5300 (sprzedawany
oddzielnie)
Złącze wejścia HDMI
Monitor tylny z obsługą
HDMI
(sprzedawany oddzielnie)
Przewód połączeniowy HDMI
(sprzedawany oddzielnie)
Złącze W.REMOTE
Przewód połączeniowy HDMI (w zestawie z
odtwarzaczem DVE-5300)
Złącze wyjścia HDMI*
REMOTE IN
(brązowy)
DVD REMOTE
(brązowy)
MON REMOTE
(brązowy)
REMOTE IN
REMOTE OUTREMOTE IN
(brązowy/biały)
Kabel W.REMOTE
DVD STATUS IN
(czerwony/biały)
REMOTE OUT
(brązowy)

Table of Contents

Related product manuals