EasyManua.ls Logo

Alpine INE-W720D - Page 30

Alpine INE-W720D
148 pages
Print Icon
To Next Page IconTo Next Page
To Next Page IconTo Next Page
To Previous Page IconTo Previous Page
To Previous Page IconTo Previous Page
Loading...
12-DE
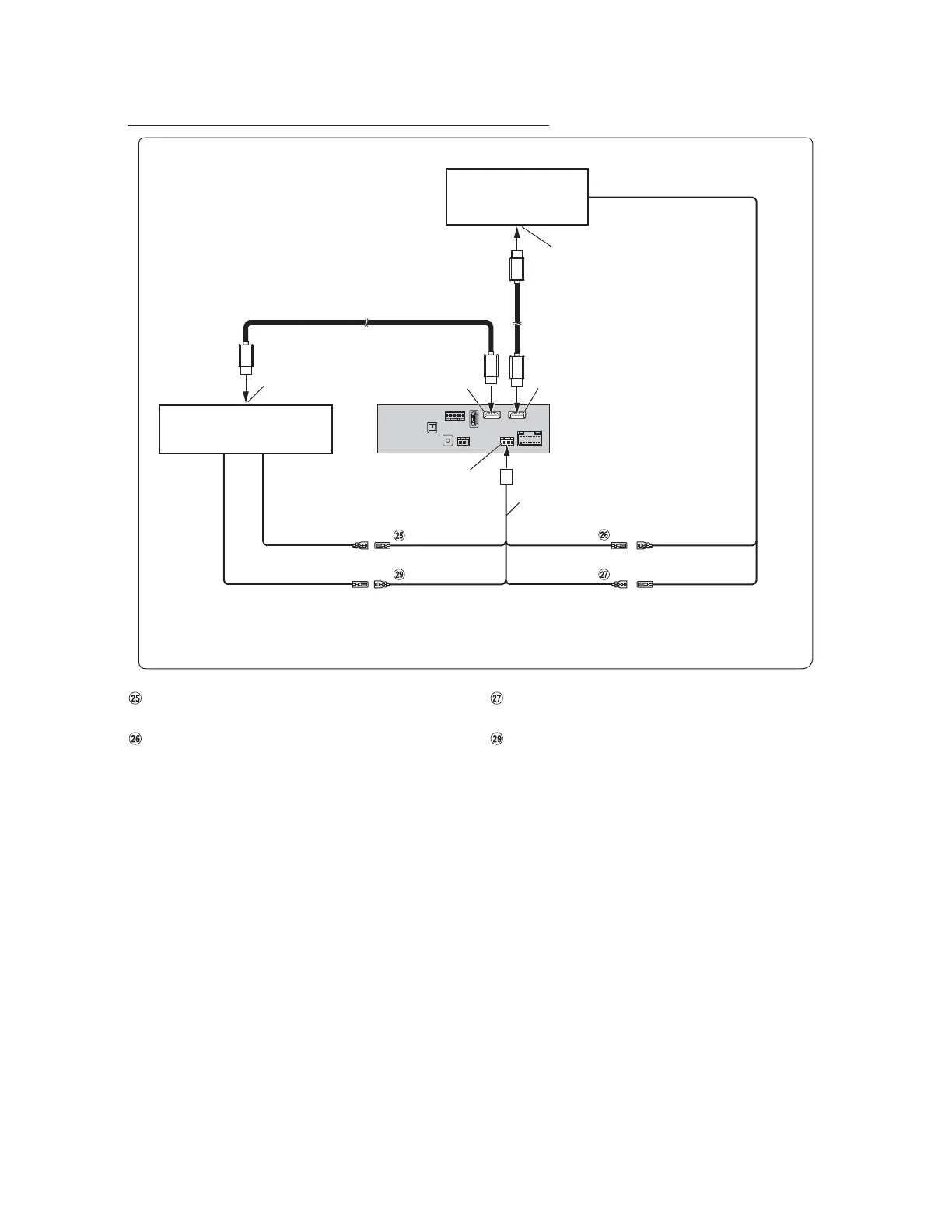
Anschluss eines DVE-5300 und eines Fondmonitors mit HDMI-Unterstützung
Fernbedienungs-Ausgangskabel (Braun) (Für DVD-
Player DVE-5300)
Fernbedienungs-Ausgangskabel (Braun) (Für
Fondmonitor)
Fernbedienungs-Eingangskabel (Braun/Weiß) (Für
Fondmonitor)
DVD-Steuerkabel (Rot/Weiß) (Für DVD-Player DVE-5300)
* Wenn Sie ein HDMI-Verbindungskabel anschließen, sichern Sie es unbedingt mit der mitgelieferten HDMI-Halterung. Einzelheiten dazu finden Sie unter
„Hinweis zum Verwenden von HDMI-Verbindungskabeln“ (Seite 4).
Setzen Sie HDMI-Setup auf „DVD. Einzelheiten dazu finden Sie unter „HDMI-Einstellungen“ in der BEDIENUNGSANLEITUNG (CD-ROM).
HDMI-Ausgang HDMI-Eingang*
DVE-5300 (separat erhältlich)
HDMI-Eingang
Fondmonitor mit HDMI-
Unterstützung
(separat erhältlich)
HDMI-Verbindungskabel
(separat erhältlich)
W.REMOTE-Anschluss
HDMI-Verbindungskabel (mit DVE-5300 mitgeliefert)
HDMI-Ausgang*
REMOTE IN
(Braun)
DVD REMOTE
(Braun)
MON REMOTE
(Braun)
REMOTE IN
REMOTE OUTREMOTE IN
(Braun/Weiß)
W.REMOTE-Kabel
DVD STATUS IN
(Rot/Weiß)
REMOTE OUT
(Braun)

Table of Contents

Related product manuals