EasyManua.ls Logo

Alpine INE-W720D - Page 62

Alpine INE-W720D
148 pages
Print Icon
To Next Page IconTo Next Page
To Next Page IconTo Next Page
To Previous Page IconTo Previous Page
To Previous Page IconTo Previous Page
Loading...
12-ES
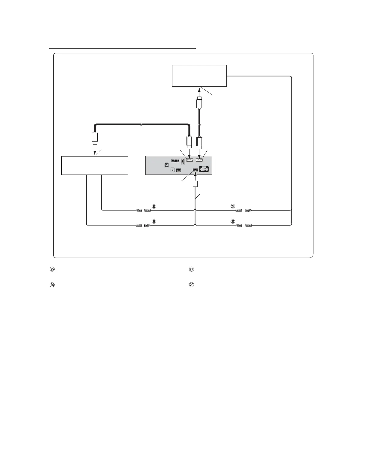
Conexión de un DVE-5300 y un monitor trasero compatible con HDMI
Cable de salida del control remoto (Marrón) (Para
reproductor de DVD DVE-5300)
Cable de salida del control remoto (Marrón) (Para
monitor trasero)
Cable de entrada del control remoto (Marrón/Blanco)
(Para monitor trasero)
Cable de entrada de control de DVD (Rojo/Blanco) (Para
reproductor de DVD DVE-5300)
* Cuando conecte un cable HDMI, asegúrese de fijarlo bien con el soporte de fijación HDMI suministrado. Para obtener más información sobre cómo
fijarlo, consulte “Nota acerca del uso de cables de conexión HDMI” (página 4).
Elija la opción “DVD” en los ajustes HDMI. Para obtener más información, consulte “Ajustes de HDMI” en el MANUAL DE OPERACIÓN (CD-ROM).
Conector de salida
HDMI
Conector de entrada HDMI*
DVE-5300 (vendido por separado)
Conector de entrada HDMI
Monitor trasero
compatible con HDMI
(vendido por separado)
Cable de conexión HDMI
(vendido por separado)
Conector W.REMOTE
Cable de conexión HDMI (incluido con el DVE-5300)
Conector de salida HDMI*
REMOTE IN
(Marrón)
DVD REMOTE
(Marrón)
MON REMOTE
(Marrón)
REMOTE IN
REMOTE OUTREMOTE IN
(Marrón/Blanco)
Cable W.REMOTE
DVD STATUS IN
(Rojo/Blanco)
REMOTE OUT
(Marrón)

Table of Contents