EasyManua.ls Logo

Alpine INE-W720D - Page 78

Alpine INE-W720D
148 pages
Print Icon
To Next Page IconTo Next Page
To Next Page IconTo Next Page
To Previous Page IconTo Previous Page
To Previous Page IconTo Previous Page
Loading...
12-IT
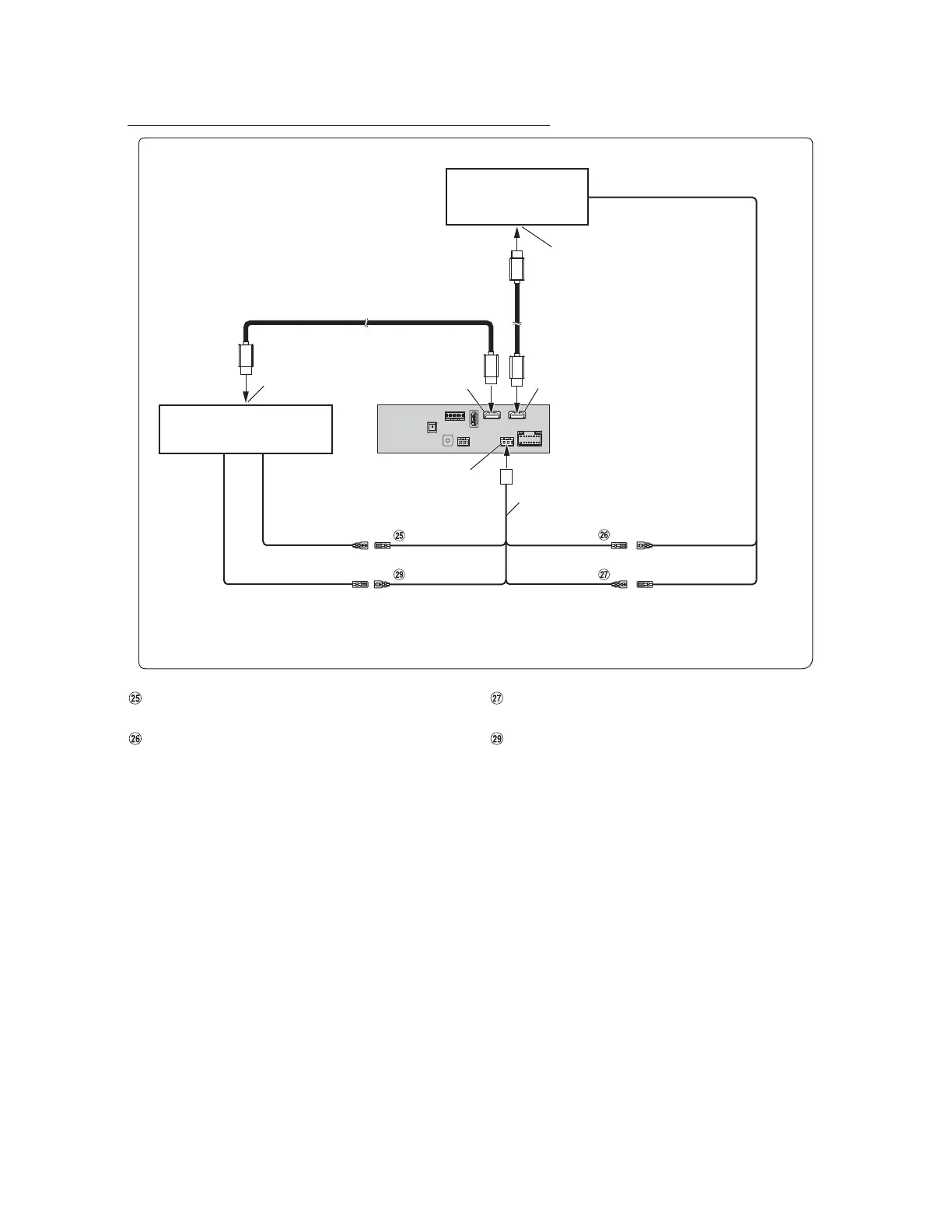
Collegamento di un DVE-5300 e di un monitor posteriore con supporto HDMI
Cavo di uscita del telecomando (Marrone) (Per il lettore
DVD DVE-5300)
Cavo di uscita del telecomando (Marrone) (Per il monitor
posteriore)
Cavo di ingresso del telecomando (Marrone/Bianco) (Per
il monitor posteriore)
Cavo di ingresso del telecomando del DVD (Rosso/
Bianco) (Per il lettore DVD DVE-5300)
* Quando si collega un cavo di collegamento HDMI, assicurarsi di fissarlo utilizzando la staffa di fissaggio HDMI in dotazione. Per dettagli sul fissaggio del
cavo, vedere “Nota sull’utilizzo dei cavi di collegamento HDMI” (pagina 4).
Impostare la configurazione HDMI su “DVD”. Per i dettagli, fare riferimento al capitolo sulla “Impostazione di HDMI” nel MANUALE D’USO (CD-
ROM).
Connettore di uscita HDMI
Connettore di ingresso
HDMI*
DVE-5300 (venduto separatamente)
Connettore di ingresso HDMI
Monitor posteriore con
supporto HDMI
(venduto separatamente)
Cavo di collegamento
HDMI (venduto
separatamente)
Connettore W.REMOTE
Cavo di collegamento HDMI (incluso con DVE-5300)
Connettore di uscita HDMI*
REMOTE IN
(Marrone)
DVD REMOTE
(Marrone)
MON REMOTE
(Marrone)
REMOTE IN
REMOTE OUTREMOTE IN
(Marrone/Bianco)
Cavo W.REMOTE
DVD STATUS IN
(Rosso/Bianco)
REMOTE OUT
(Marrone)

Table of Contents

Related product manuals