EasyManua.ls Logo

Alpine IVE-W554EBT - External Device Connections; iPod Video Connection; AUX Input Connection; DVD Changer Connection

Alpine IVE-W554EBT
92 pages
Print Icon
To Next Page IconTo Next Page
To Next Page IconTo Next Page
To Previous Page IconTo Previous Page
To Previous Page IconTo Previous Page
Loading...
87-EN
01GB06IVE-W554ABT.fm
ALPINE IVE-W554ABT/IVE-W554EBT 68-25285Z79-A (EN)
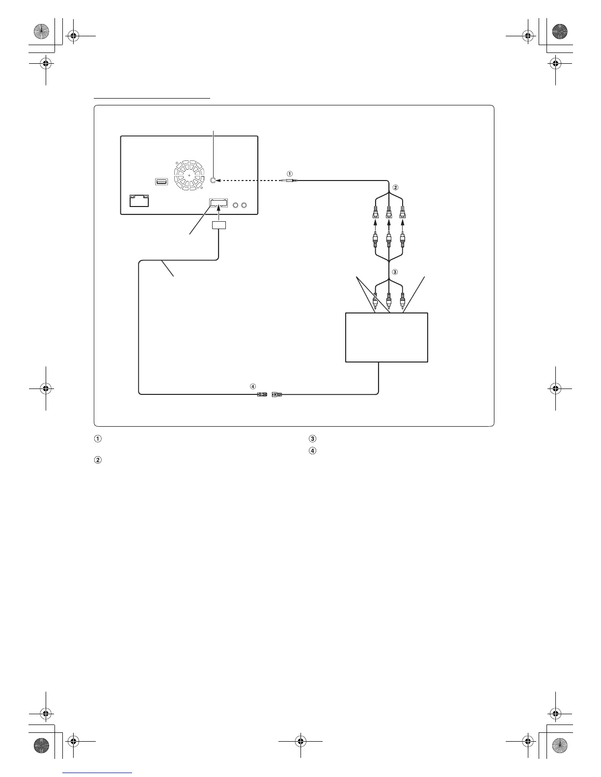
Connection of an External device
AV/RCA interface cable (4-pole mini AV plug to 3-
RCA) (sold separately)
Video/Audio Input Connectors (AUX INPUT)
YELLOW is for input video, RED is right and WHITE is left
input the audio.
RCA Extension Cable (Sold Separately)
Remote Control Output Lead (Brown)
Connect this lead to the remote control input lead. This lead
outputs the controlling signals from the remote control.
To connect an external input device to the iPod VIDEO connector, set “AUX In” to “AUX.” Refer to “Setting the AUX Mode” (page 39).
You can change the name of an external device. Refer to “Setting the AUX Mode” (page 39).
CAMERA/AUX/PRE OUT Connector
CAMERA/AUX/PRE OUT cable
To Audio Output terminal To Video Output terminal
DVD Changer
(Sold separately)
REMOTE IN
(White/Brown)
REMOTE OUT
(Brown)
iPod VIDEO input connector
01GB00IVE-W554ABT.book Page 87 Friday, January 24, 2014 5:43 PM

Table of Contents

Related product manuals