EasyManua.ls Logo

Alpine IVE-W554EBT - External Amplifier Connection; External Amplifier Wiring

Alpine IVE-W554EBT
92 pages
Print Icon
To Next Page IconTo Next Page
To Next Page IconTo Next Page
To Previous Page IconTo Previous Page
To Previous Page IconTo Previous Page
Loading...
90-EN
01GB06IVE-W554ABT.fm
ALPINE IVE-W554ABT/IVE-W554EBT 68-25285Z79-A (EN)
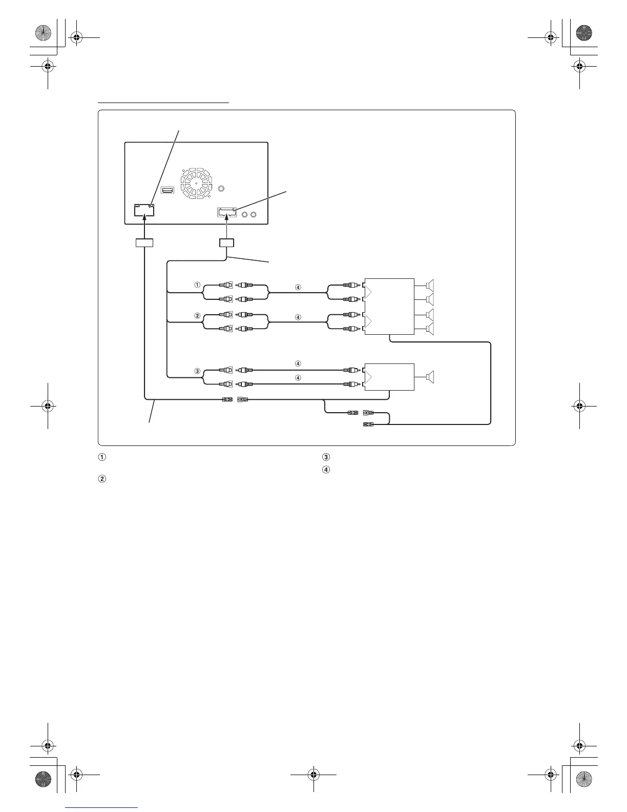
Connection of an External Amplifier
Front Output RCA Connectors
RED is right and WHITE is left.
Rear Output RCA Connectors
RED is right and WHITE is left.
Subwoofer RCA Connector
RCA Extension Cable (Sold separately)
CAMERA/AUX/PRE OUT Connector
Power Supply Connector
CAMERA/AUX/PRE OUT cable
(Red)
(White)
Amplifier 4 ch (Sold separately)
Input
Input
Front speaker
Rear speaker
REMOTE TURN-ON
(Blue/White)
Power cable
Amplifier for subwoofer (Sold separately)
Input
Subwoofer
(Red)
(White)
REMOTE ON
(Blue/White)
REMOTE ON
(Blue/White)
(Red)
(White)
01GB00IVE-W554ABT.book Page 90 Friday, January 24, 2014 5:43 PM

Table of Contents

Related product manuals