EasyManua.ls Logo

Ambirad SmartCom 3 - Setting the Clock

Ambirad SmartCom 3
18 pages
Print Icon
To Next Page IconTo Next Page
To Next Page IconTo Next Page
To Previous Page IconTo Previous Page
To Previous Page IconTo Previous Page
Loading...
8
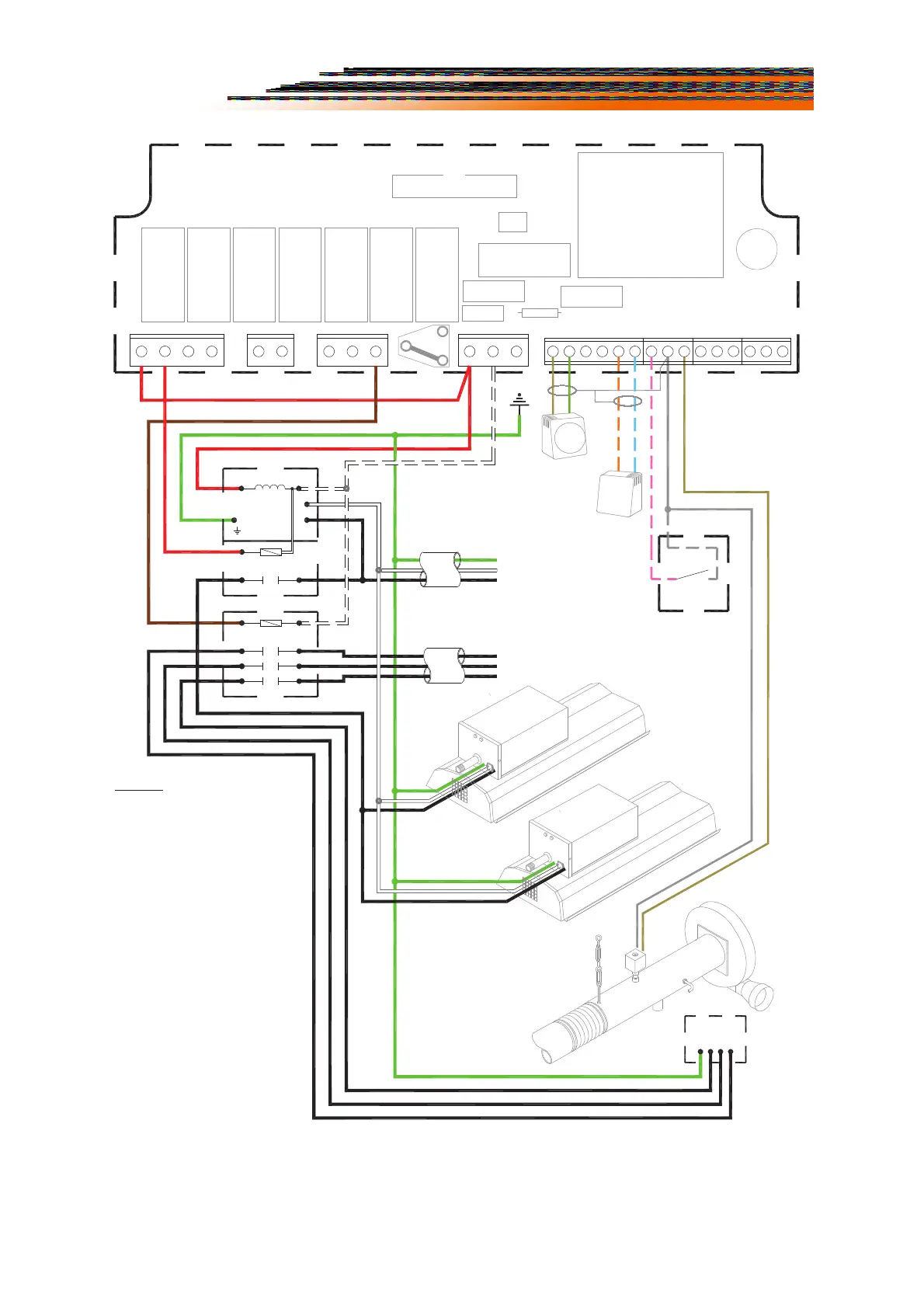
Si
ngle Zone Syste
m 3Phase.
S
m
artCom Mulitizone
N
EUT
LIVE
1/
L 2/
N 10
S/R0 S/R1 D0 D1
O0 O1 B1 B0 B2 C2 C0 C1 66 64 20
41 40 7 8 9 25 14 5 6
E
x
haust
Fan
Drg No. : 900289 R6 3P USA
N
OT
ES:
REMOTE
SWITCH INPUTS
s
hould be connected by 18
Awg
cable. Max length is 325ft.
Low voltage switching inputs to
be normally open (closed circuit
to enable).
Connect to B0 & B1 for remote
ON (ie BMS time control).
REMOTE SENSOR(s)
may be
placed at a max distance of 325ft
from the control unit, using
shielded 18 Awg cable.
Wiring should be kept separate
from mains wiring to minimize
noise pick up. Set within
Engineers functions for any
remote sensors.
Burner
one
Burner
two
L2
L1
(HOT)
GND
20 amp Supply
120V 60Hz 1 Ph
C
40VA
Trans
Relay
S-0700
L1
G
R
Relay
S-0755
Black Bulb
Sensor
Outside
Sensor
(w
here applicable)
(C
OMMON)
eg E.M.S.
(R
E
MOT
E
ON)
(R
E
MOT
E
OFF)
L2
(n.c.)
C
W1
L2
L3
L1
10 amp Supply
240/480V 60Hz 3 Ph
V
W
U
GND

Other manuals for Ambirad SmartCom 3