EasyManua.ls Logo

AMERITRON RCS-4 - Page 4

AMERITRON RCS-4
6 pages
Print Icon
To Next Page IconTo Next Page
To Next Page IconTo Next Page
To Previous Page IconTo Previous Page
To Previous Page IconTo Previous Page
Loading...
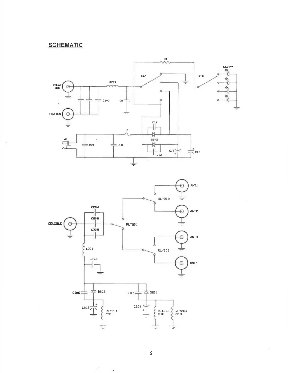
SCHEMATIC
LEDI-4
A
iN
"a
nN
STATION
ANTI
RLY202
het
c204
ANT2
ceos
CONSOLE
RLY201
C205
ANT3
RLY203
ANT4
c206
RLY201
cOIL
RLY202
coIL
RLY203
COIL

Related product manuals