EasyManua.ls Logo

AMSTRAD PPC 512S - Page 33

AMSTRAD PPC 512S
42 pages
Print Icon
To Next Page IconTo Next Page
To Next Page IconTo Next Page
To Previous Page IconTo Previous Page
To Previous Page IconTo Previous Page
Loading...
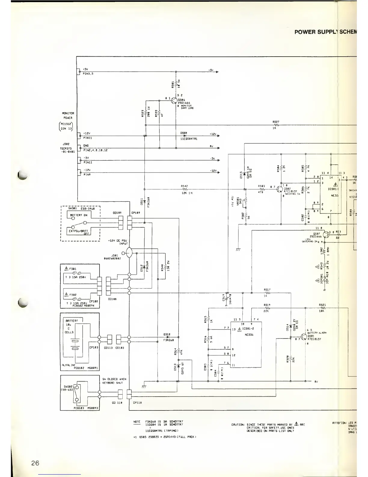
POWER
SUPPLY
SCHEN
JF
PIN3.5
MONITOR
POWER
<PC151?
X
|
l^OIN 13j
1
•""
_J
PINll
DCND
Pi«.-.a.ii.K
5 2
05K.
2SDlfc&i
f
MONITOR
DAMY
LORD
R5zr
—Wv-
D58«
H—
PCB1I3 MS«»»3
NOTE FSKQte IS »
SCHOTTKY
HD0e< IS
1R SCHOYTKY
11E0SBJTR1
CTBPING)
1
05«5 2SB8Z5
- 2SB1443 (FULL PC**)
CHUTIDN: SINCE THESE PORTS MARKED BT
A
ARE
CRITICAL FOR
SAFETY, USE ONES
DESCRIBED ON PORTS LIST ONLY
BTT&TION:
LES
P!
OONGEI
N'UTIl
DPNS
I
26