EasyManua.ls Logo

APP EDS90 - Page 22

Default Icon
36 pages
Print Icon
To Next Page IconTo Next Page
To Next Page IconTo Next Page
To Previous Page IconTo Previous Page
To Previous Page IconTo Previous Page
Loading...
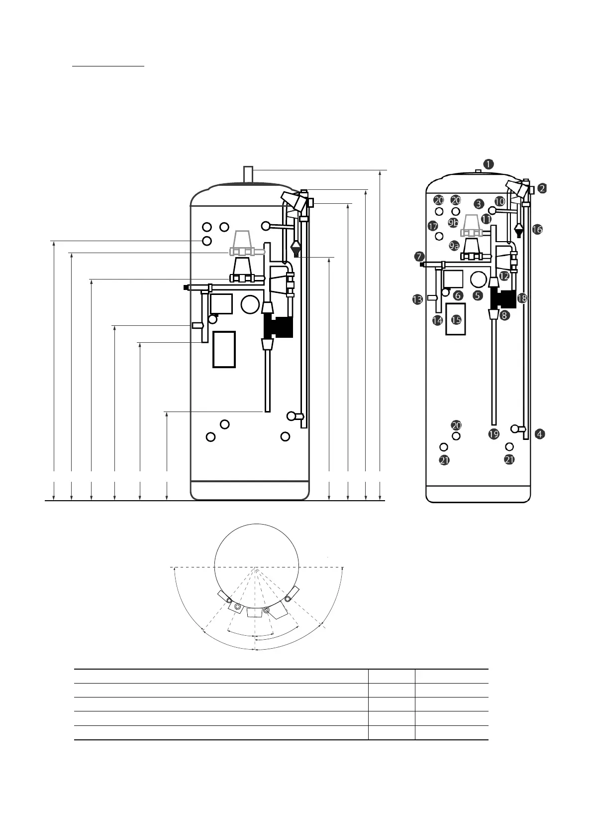
STAINLESS UV - SOLAR INDIRECT PRE-PLUMBED
All Dimensions are in mm and are of the cased unit.
N/F = not fitted.
18
J I H F E G D C B A
40.0˚
45.0˚
15.0˚
25.0˚
35.0˚
50.0˚
45.0˚
CODE A B C D E F G H I J ERP BAND STANDING LOSS (W)
ET180P4 1297 1258 1211 948 560 635 480 850 970 N/F B 58
ET210P4 1485 1446 1399 1136 665 740 585 955 1075 1150 C 70
ET250P4 1735 1696 1649 1386 830 905 770 1130 1250 1400 C 81
ET300P4 2048 2009 1962 1699 859 934 799 1159 1279 1600 C 92
For Twin Zone codes please replace P4 with PT4
21
STAINLESS UV
UNVENTED HOT WATER CYLINDERS