EasyManua.ls Logo

Ariston ST 50 ProTech - Page 23

Ariston ST 50 ProTech
34 pages
Print Icon
To Next Page IconTo Next Page
To Next Page IconTo Next Page
To Previous Page IconTo Previous Page
To Previous Page IconTo Previous Page
Loading...
m
Wi
<0-
'
-
i''
•n
o
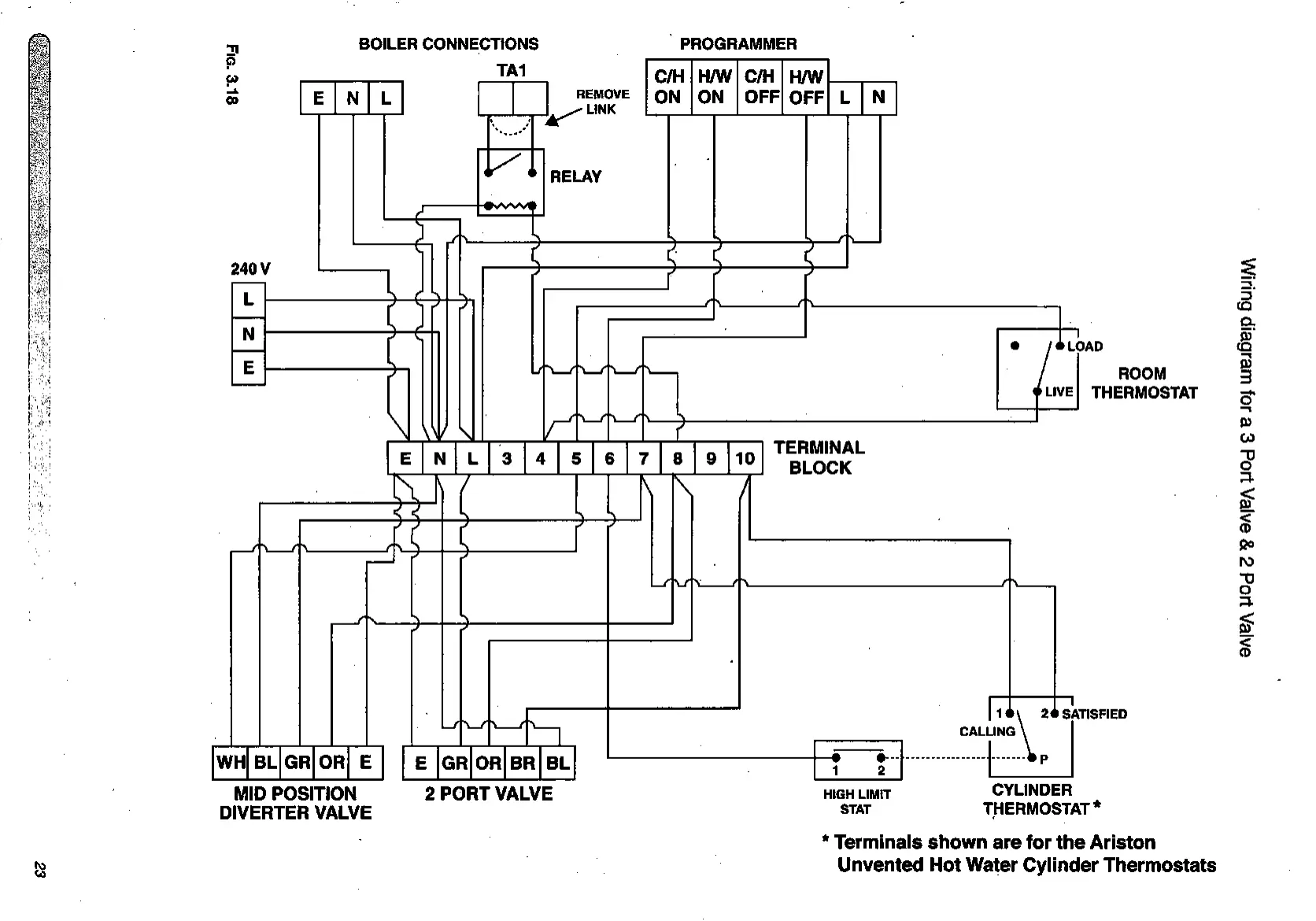
BOILER
CONNECTIONS
TA1
PROGRAMMER
E
N
L
REMOVE
LINK
C/H
ON
H/W
ON
C/H
OFF
H/W
OFF
L
N
RELAY
240
V
L
3
4
5
6
7
8
9
10
TERMINAL
BLOCK
WH
BL
GR
OR
E
E
GR
OR
BR
BL
MID
POSITION
DIVERTER
VALVE
2
PORT
VALVE
HIGH
LIMIT
STAT
LOAD
ROOM
THERMOSTAT
V
CALLING
1
24
SATISFIED
CYLINDER
THERMOSTAT*
Co
*
Terminals
shown
are
for
the
Ariston
Unvented
Hot
Water
Cylinder
Thermostats
3
(Q
0)
CQ
V
3
0)
CO
TP
O
s
po
ro
TJ
0
a.
1
n

Related product manuals