EasyManua.ls Logo

Artweger TWINLINE TL1 - Page 5

Default Icon
28 pages
Print Icon
To Next Page IconTo Next Page
To Next Page IconTo Next Page
To Previous Page IconTo Previous Page
To Previous Page IconTo Previous Page
Loading...
MA_TL1_Wanne_11975_12_195 / 28
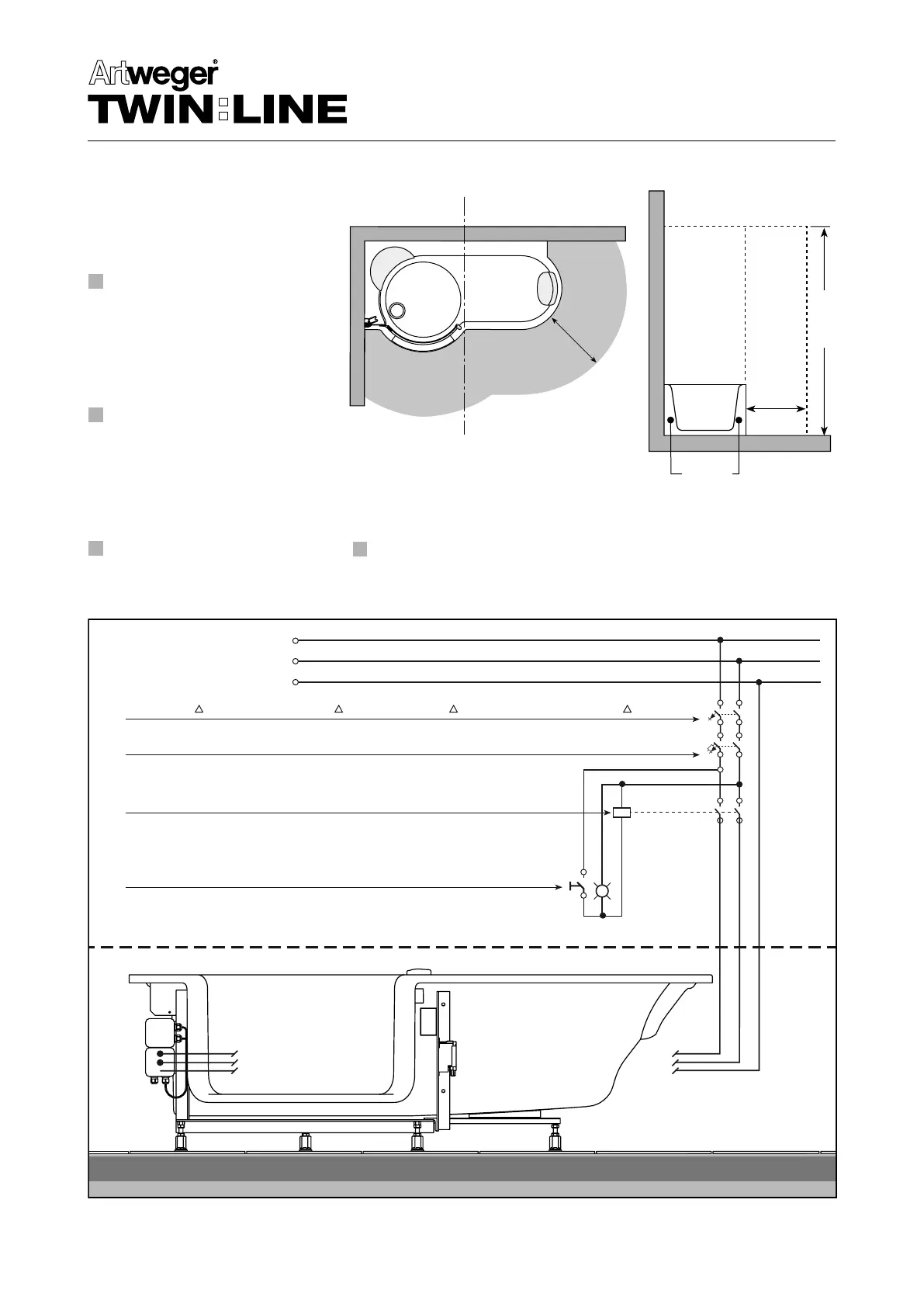
0,6 m
225 cm
Schnitt A - A
Bereich 0/1
Zone
Volume
Zone
Bereich 2
Zone
Volume
Zone
Bereich 0
Zone
Volume
Zone
60 cm
Bereich 1
Zone
Volume
Zone
Schutzbereich 3
Safety zone 3
Volume de sécurité 3
Beveiligingszone 3
Schutzbereich 2
Safety zone 2
Volume de sécurité
Beveiligingszone 2
60 cm
Schutzbereich 0/1
Safety zone 0/1
Volume de sécurité 0/1
Beveiligingszone 0/1
A
A
230 VAC
FI- Schutzschalter I N 30 mA FI circuit breaker I N 30 mA Fusible FI I N 30 mA FI- beveiligingsschakelaar I N 30 mA
Leitungs-Schutzschalter max. 16A Automatic cut-out 16A max. Fusible de l’installation maxi 16 A Leidings-beveiligingsschakelaar max. 16A
Schütz Contactor Contacteur Zekering
Hauptschalter mit
Kontrolllampe im Bad
Anschluss
Connectionhlu
Raccordement
Aansluiting
Außerhalb des Schutzbereiches Outside of protected area Au-dehors de la zone de sécurité Buiten de beveiligingszone
L
N
PE
L
N
PE
L
N
PE
Main switch with control
lamp in bathroom
Interrupteur principal avec lampe
de contrôle dans la salle de bain
Hoofdschakelaar met
controlelamp in het bad
DE Schutzbereiche !
Die Schutzbereiche müssen zu Ihrer persönlichen Sicher-
heit genau eingehalten werden.
= Schutzbereich 2. (Höhe 225 cm) Verbot von
Schaltern und Steckdosen!
EN Safety zones !
For your personal safety, the protected areas must be
adhered to exactly.
= Safety zone 2 (225 cm/88.6” in height): no
electrical switches or plugs allowed!
FR Volume de sécurité !
Les zones de sécurité doivent être scrupuleusement
respectées pour votre sécurité personnelle.
= Volume de sécurité 2 : (Hauteur 225 cm) interrup-
teurs et prises interdit
NL Beveiligingszones !
De beveiligingszones moeten voor uw persoonlijke veiligheid
nauwkeurig aangehouden worden.
= Beveiligingszone 2: (hoogte 225cm) Schakelaars en
contactdozen niet toegestaan!

Related product manuals