EasyManua.ls Logo

Asami AMV6 - Page 296

Asami AMV6
303 pages
Print Icon
To Next Page IconTo Next Page
To Next Page IconTo Next Page
To Previous Page IconTo Previous Page
To Previous Page IconTo Previous Page
Loading...
Gree GMV6 DC Inverter VRF Units Service Manual
294
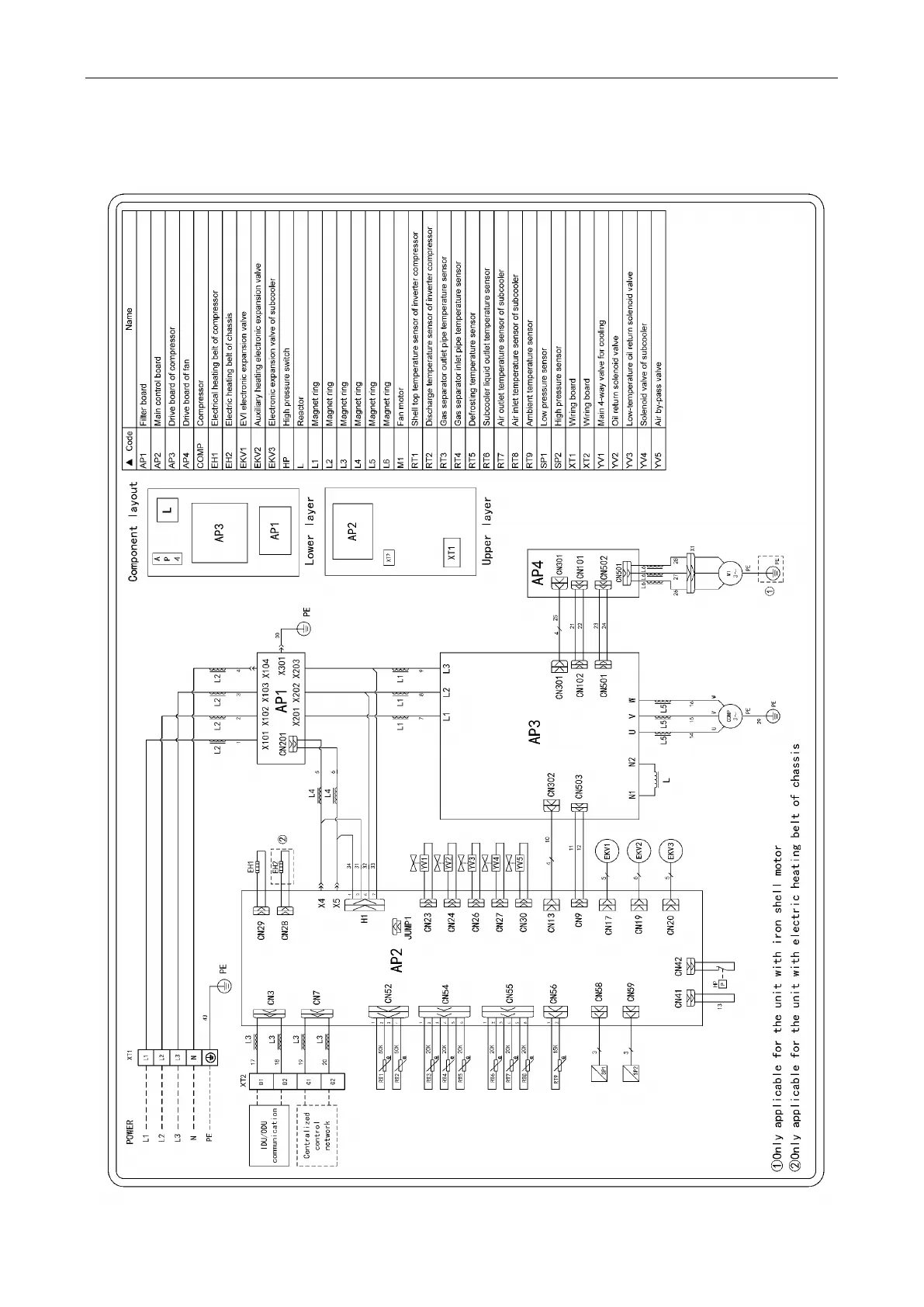
Appendix 5 Circuit Diagram
GMV-224WM/H-X
GMV-280WM/H-X and GMV-335WM/H-X