EasyManua.ls Logo

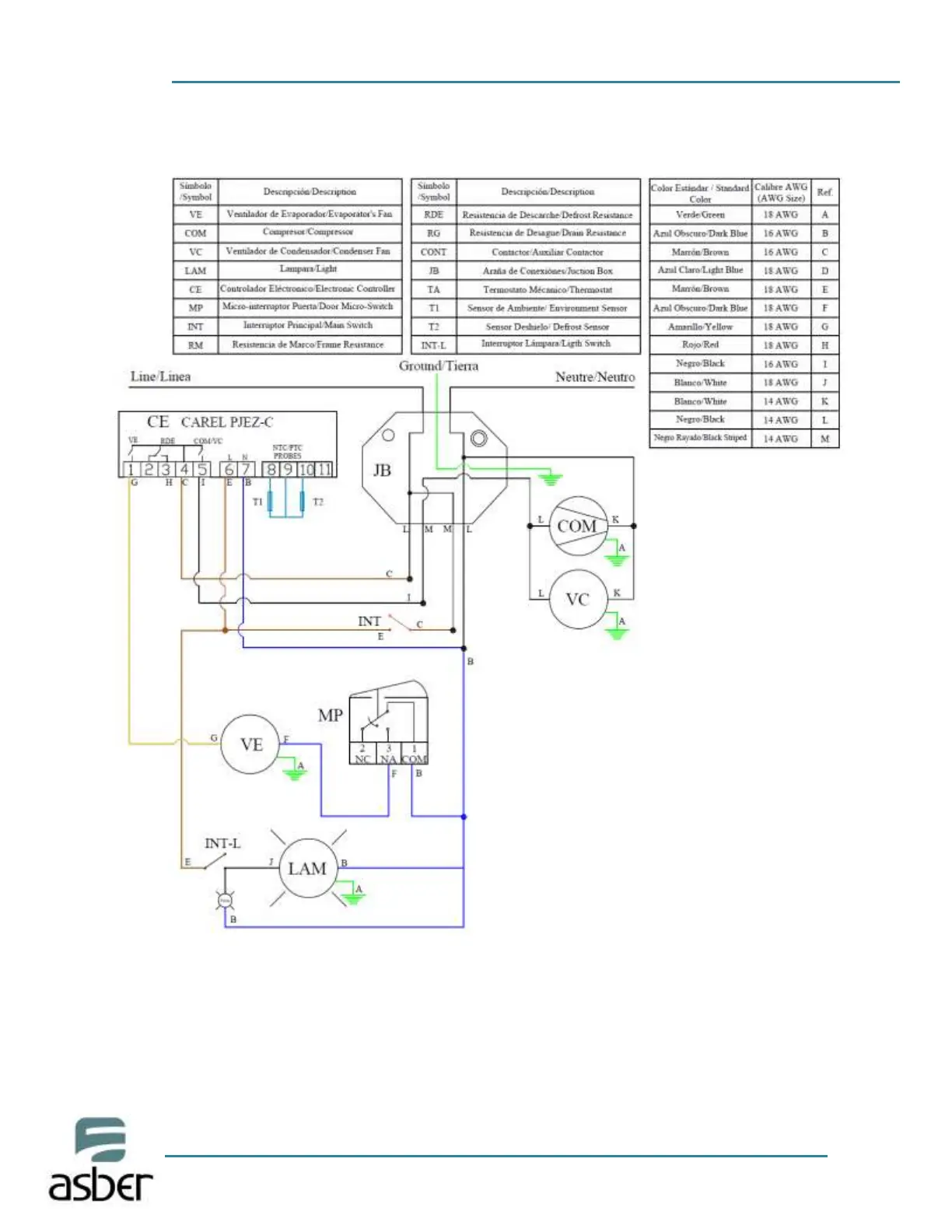
ASBER ARF-23 - ARR 23-1 G Wiring Diagram

Default Icon
33 pages
Print Icon
To Next Page IconTo Next Page
To Next Page IconTo Next Page
To Previous Page IconTo Previous Page
To Previous Page IconTo Previous Page
Loading...
REACH-INS SERVICE MANUAL/Rev. JUN. 2015
Page28
ARR 23 -1G

Related product manuals