EasyManua.ls Logo

ASBER ARR-17 - Page 29

ASBER ARR-17
33 pages
Print Icon
To Next Page IconTo Next Page
To Next Page IconTo Next Page
To Previous Page IconTo Previous Page
To Previous Page IconTo Previous Page
Loading...
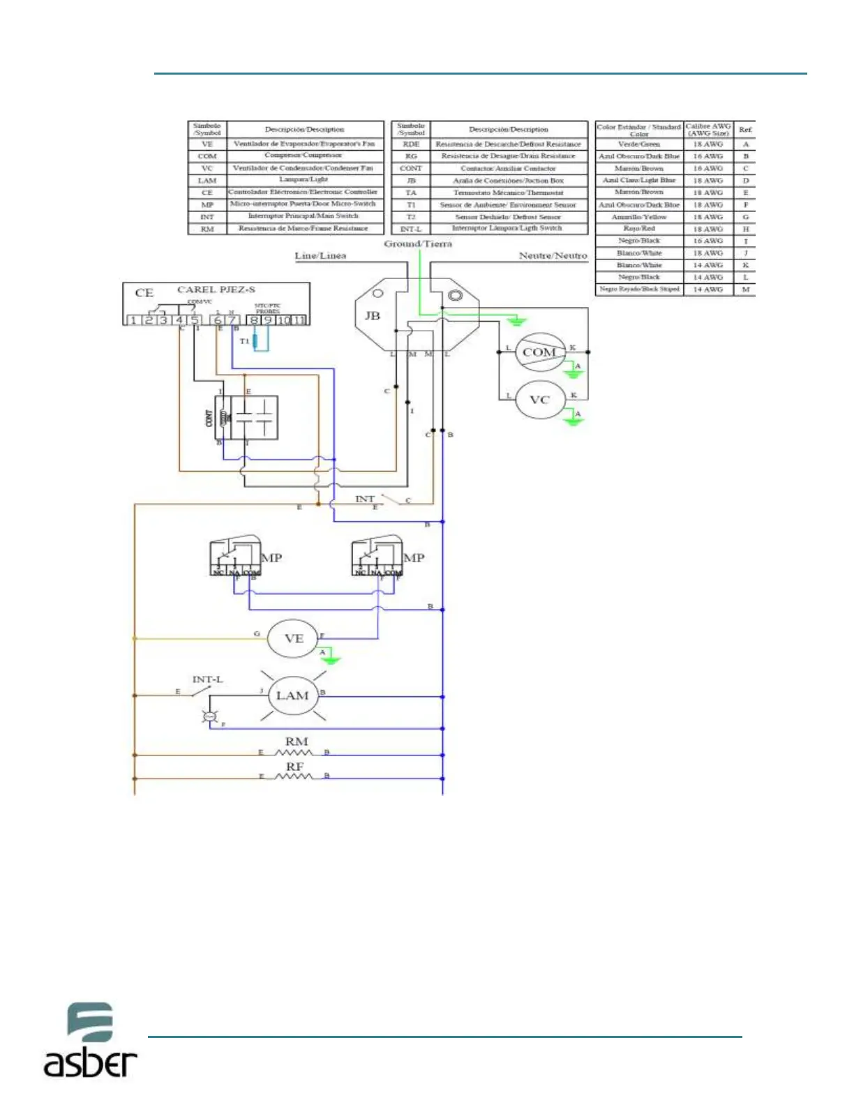
REACH-INS SERVICE MANUAL/Rev. JUN. 2015
Page29
ARR 49-2G

Related product manuals