EasyManua.ls Logo

Ashcroft 1305D - Page 9

Ashcroft 1305D
20 pages
Print Icon
To Next Page IconTo Next Page
To Next Page IconTo Next Page
To Previous Page IconTo Previous Page
To Previous Page IconTo Previous Page
Loading...
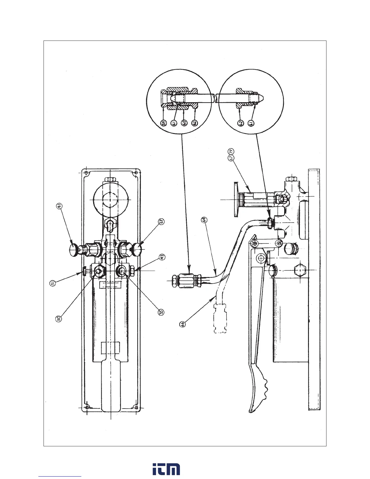
F
igure 2-1
A
shcroft Portable Deadweight Tester 1305D
w ww . . co m
information@itm.com1.800.561.8187