EasyManua.ls Logo

Astralpool 66177 - Page 27

Astralpool 66177
27 pages
Print Icon
To Previous Page IconTo Previous Page
To Previous Page IconTo Previous Page
Loading...
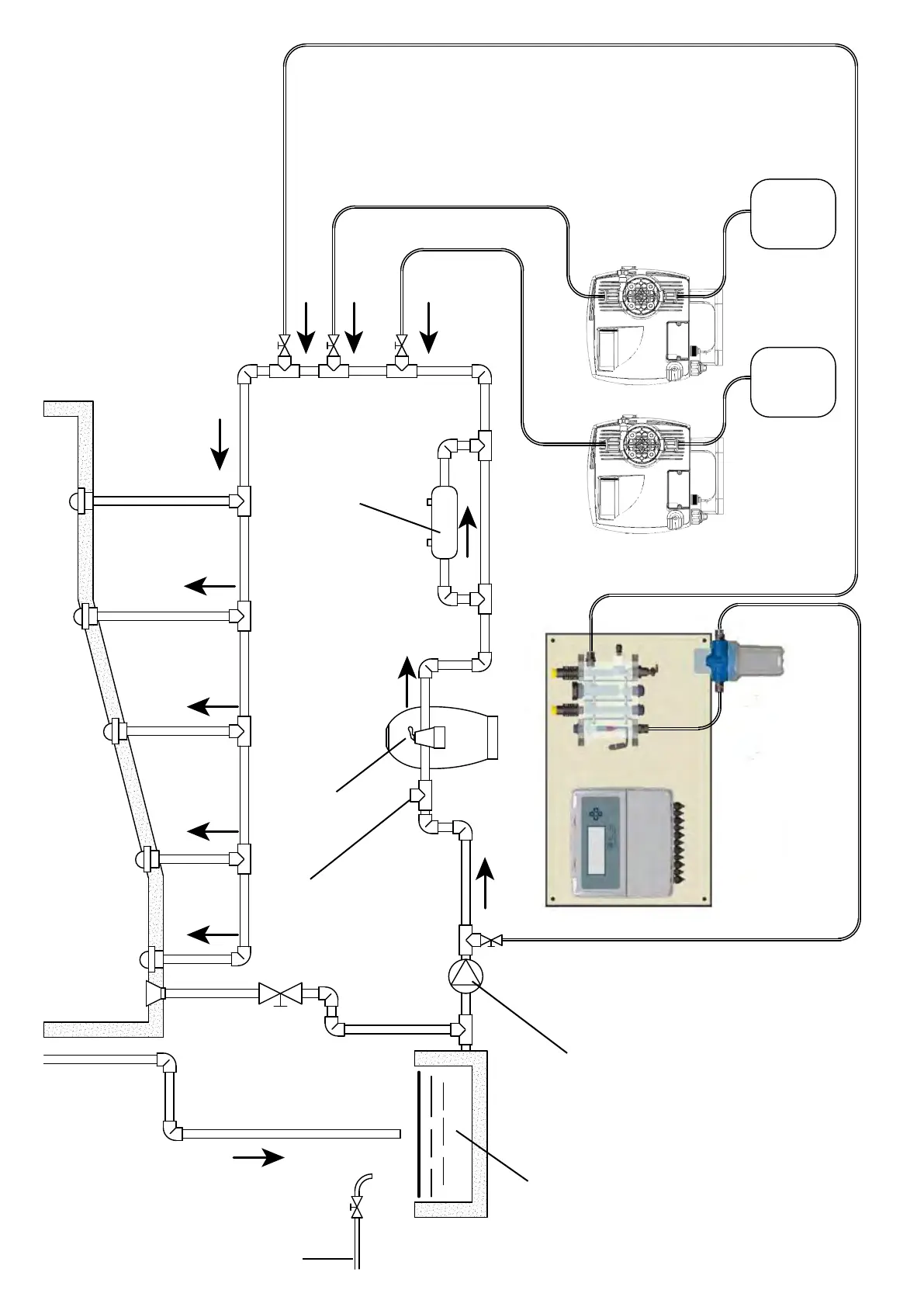
Tank pH
corrector
Tank
sodium
hypochloriter
Filtration pump
Heat exchanger
Tub of compesation
Filter
Flocculant dosage
Water

Related product manuals