EasyManua.ls Logo

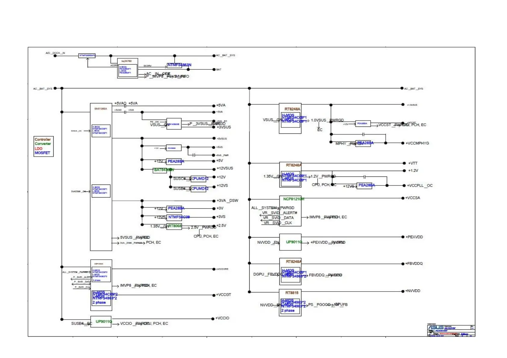
Asus GL552VW - System Power Flow and Distribution; AC Input Power Conversion Stages; Primary Voltage Rail Generation; Core Component Power Delivery

Asus GL552VW
7 pages
Print Icon
To Next Page IconTo Next Page
To Next Page IconTo Next Page
To Previous Page IconTo Previous Page
To Previous Page IconTo Previous Page
Loading...
POWER FLOW

Related product manuals