EasyManua.ls Logo

Atlas Copco FD 120 - Page 47

Atlas Copco FD 120
63 pages
To Next Page IconTo Next Page
To Next Page IconTo Next Page
To Previous Page IconTo Previous Page
To Previous Page IconTo Previous Page
Loading...
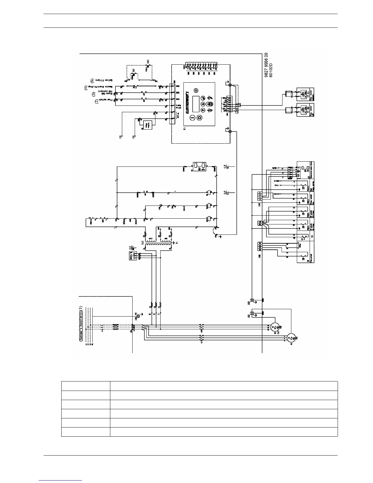
+PUVTWEVKQPOCPWCN

'NGEVTKECNFKCITCOHQTVJTGGRJCUGWPKVU
4GHGTGPEG &GUKIPCVKQP
 %WUVQOGTʼnUKPUVCNNCVKQP
 (NQYUYKVEJ
 #NCTO'9&
 4GOQVGUVCTVUVQR
 1RVKQPHKNVGTU

Table of Contents

Related product manuals