EasyManua.ls Logo

Atlas Copco FD 245 - Page 47

Atlas Copco FD 245
63 pages
To Next Page IconTo Next Page
To Next Page IconTo Next Page
To Previous Page IconTo Previous Page
To Previous Page IconTo Previous Page
Loading...
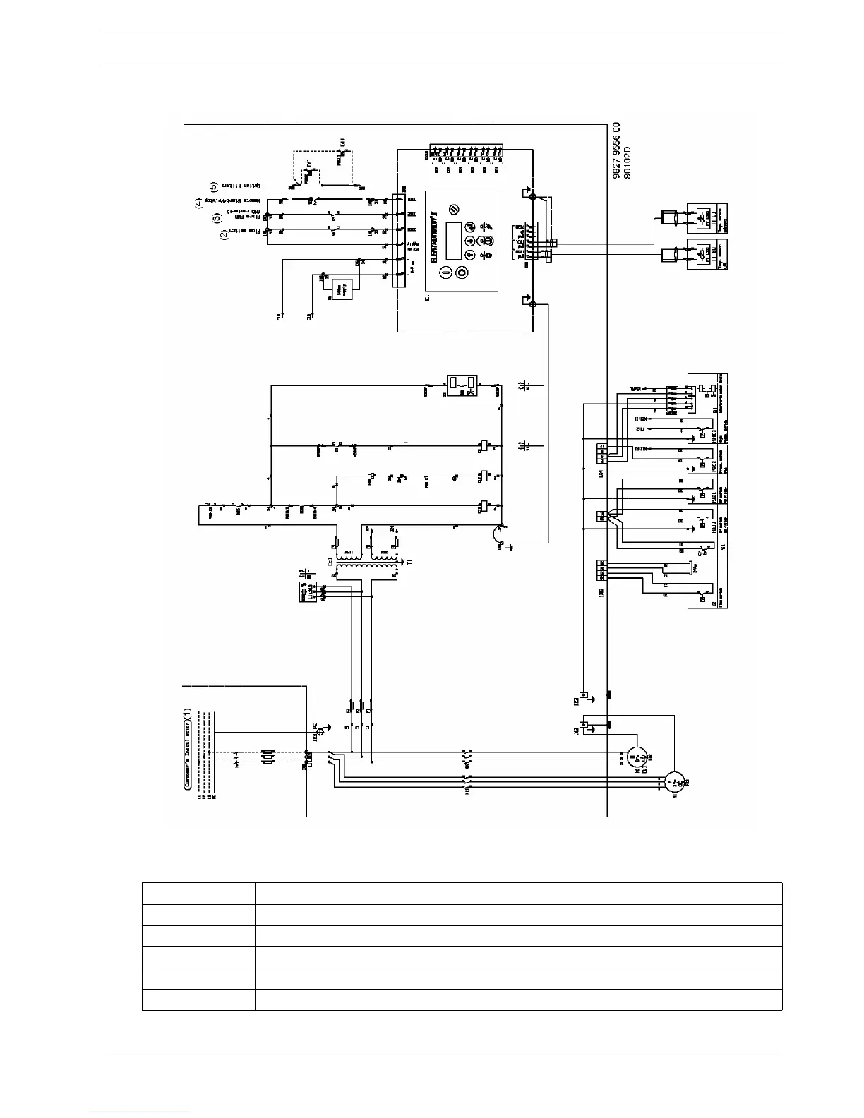
+PUVTWEVKQPOCPWCN

'NGEVTKECNFKCITCOHQTVJTGGRJCUGWPKVU
4GHGTGPEG &GUKIPCVKQP
 %WUVQOGTʼnUKPUVCNNCVKQP
 (NQYUYKVEJ
 #NCTO'9&
 4GOQVGUVCTVUVQR
 1RVKQPHKNVGTU

Table of Contents

Related product manuals