EasyManua.ls Logo

Atlas Copco LE40

Atlas Copco LE40
48 pages
To Next Page IconTo Next Page
To Next Page IconTo Next Page
To Previous Page IconTo Previous Page
To Previous Page IconTo Previous Page
Loading...
2920 1257 04
29
Instruction book
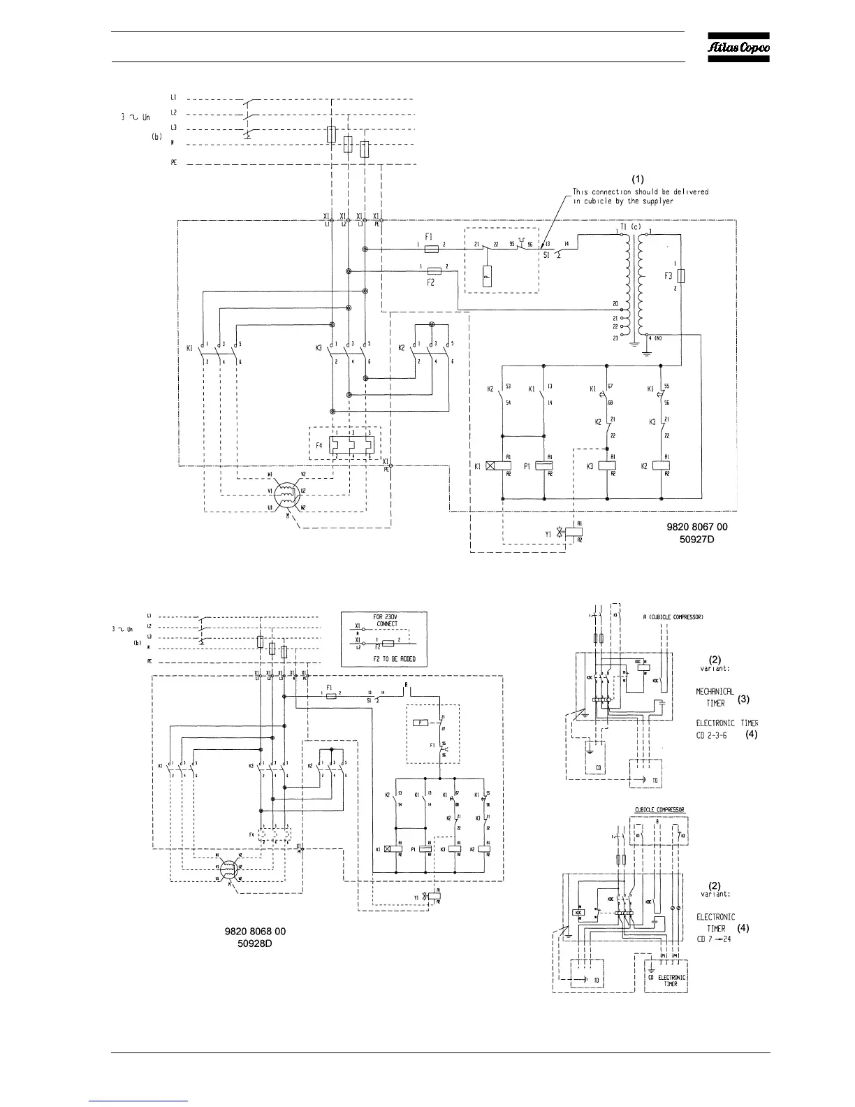
Fig. 2.25 Electrical diagram of 3-phase LE/LT40 up to -110, LE150 and LF40 up to -75 with transformer and star-delta starter
Fig. 2.26 Electrical diagram of 3-phase LE/LT40 up to -110, LE150 and LF40 up to -75 with star-delta starter and CD dryer

Table of Contents

Related product manuals